EasyManua.ls Logo

Sony STR-DE597 - Schematic Diagram - Display Section

Sony STR-DE597
60 pages
Print Icon
To Next Page IconTo Next Page
To Next Page IconTo Next Page
To Previous Page IconTo Previous Page
To Previous Page IconTo Previous Page
Loading...
STR-DE597
35 35
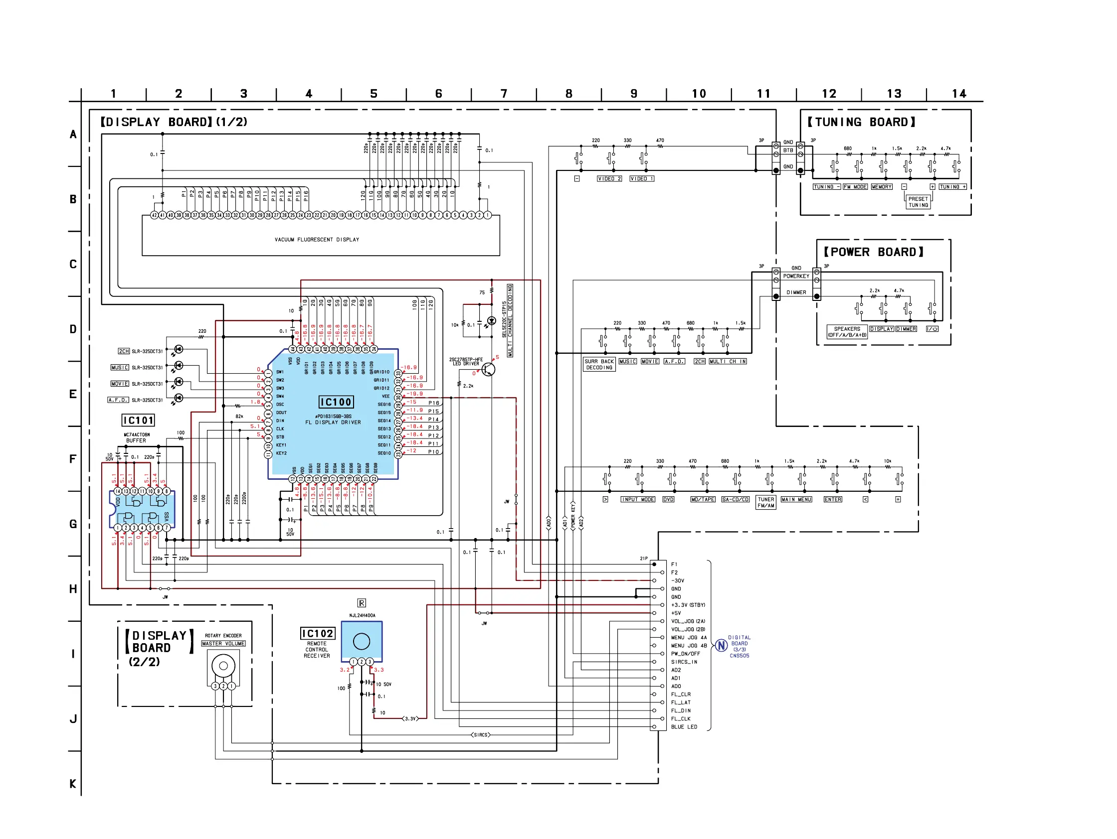
4-21. SCHEMATIC DIAGRAM — DISPLAY SECTION — • Refer to page 21 for Common Note on Schematic Diagram.
C100
C115
C132
C133
C134
C135
C136
C137
C138
C139
C140
C141
C142
C143
R150
S100 S101
S120 S121 S125
L103
R141
S152
IC101
C157
R161
R162
R153
C114
S122 S123
S126 S127 S128
S124
S130
S136 S137 S141S140
R131 R132 R133
S138 S139
R101 R102 R103 R104 R105 R106 R107 R108 R109
S103 S105 S107 S109 S110 S111 S112 S113
R121 R122 R123 R124 R125
R138R137R134 R135 R136
R127 R128
R126
L102
IC102
L101
R172
R173
C109
C108
R198
C150
C151
R154
C105
C101
R175
R199
C156
C155
C104
C144
R174
FL101
D102
D103
D104
D105
C153 C154
C110
IC100
R160
RV102
S132 S134
CNP103 CNP104
CNP101 CNP102
CNS100
C152
C112
C111
D101
Q100
(Page 29)

Other manuals for Sony STR-DE597

Related product manuals