EasyManua.ls Logo

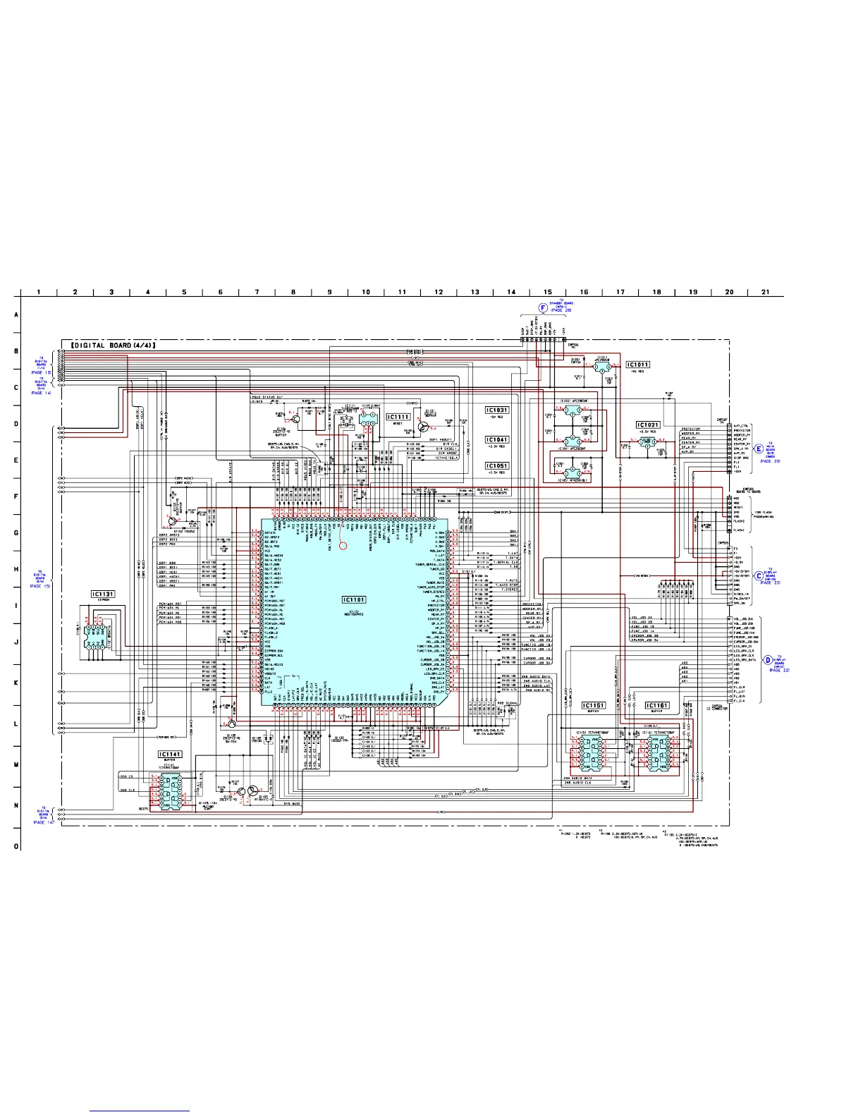
Sony STR-DE875 - Schematic Diagram - Digital Section (4;4)

Sony STR-DE875
58 pages
Print Icon
To Next Page IconTo Next Page
To Next Page IconTo Next Page
To Previous Page IconTo Previous Page
To Previous Page IconTo Previous Page
Loading...
1616
STR-DE875/DE975
3-7. SCHEMATIC DIAGRAM – DIGITAL SECTION (4/4) –
• See page 9 for Waveform. • See page 33 for IC Pin Function.
4
SYSTEM CONTROLLER

Other manuals for Sony STR-DE875

Related product manuals