EasyManua.ls Logo

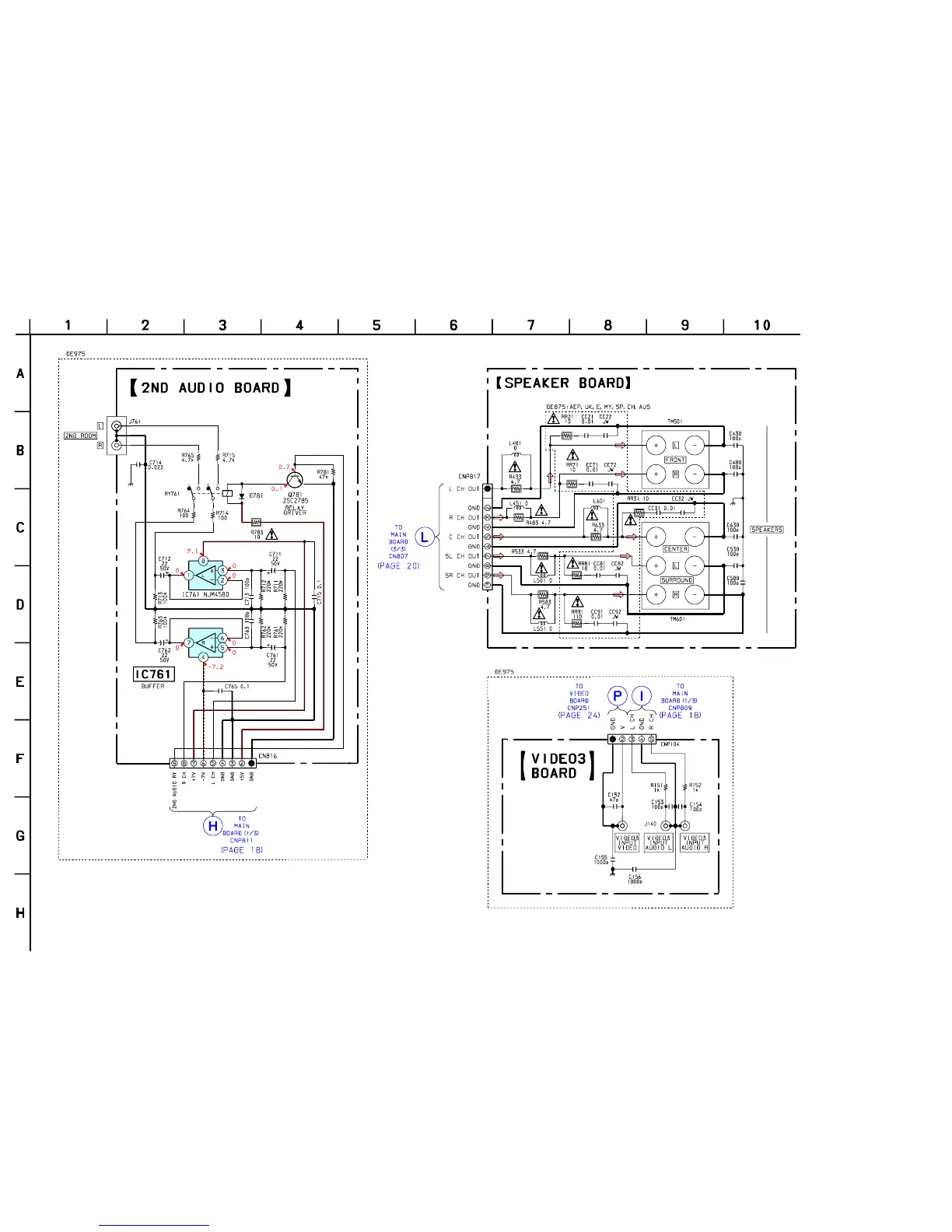
Sony STR-DE875 - Schematic Diagrams - Speaker Section

Sony STR-DE875
58 pages
Print Icon
To Next Page IconTo Next Page
To Next Page IconTo Next Page
To Previous Page IconTo Previous Page
To Previous Page IconTo Previous Page
Loading...
2626
STR-DE875/DE975
3-17. SCHEMATIC DIAGRAM SPEAKER SECTION

Other manuals for Sony STR-DE875

Related product manuals