EasyManua.ls Logo

Sony STR-DE875 - Schematic Diagrams - Main Section

Sony STR-DE875
58 pages
Print Icon
To Next Page IconTo Next Page
To Next Page IconTo Next Page
To Previous Page IconTo Previous Page
To Previous Page IconTo Previous Page
Loading...
1818
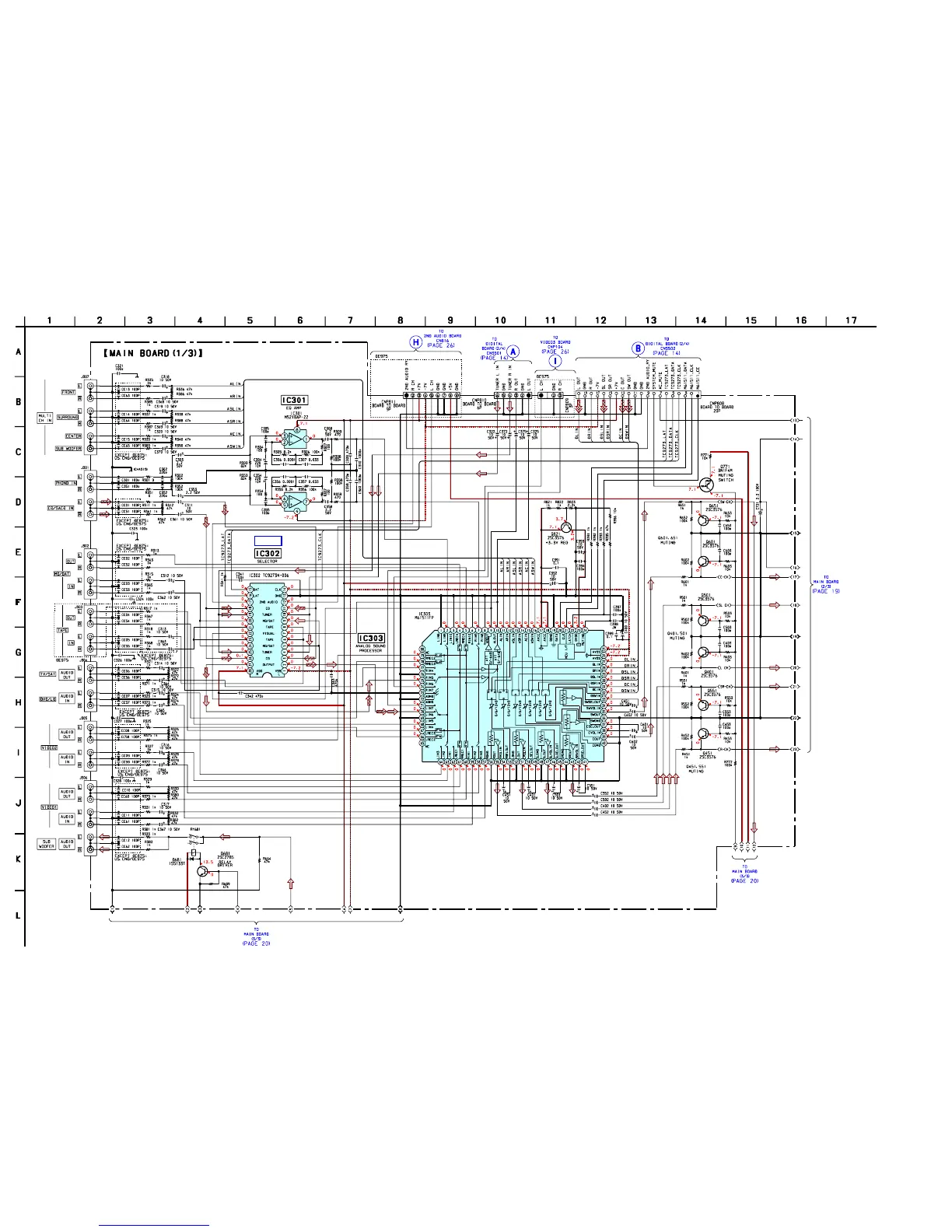
STR-DE875/DE975
3-9. SCHEMATIC DIAGRAM MAIN SECTION (1/3)
See page 31 for IC Block Diagrams.
IC B/D

Other manuals for Sony STR-DE875

Related product manuals