EasyManua.ls Logo

Sony STR-DN1050 - Page 75

Sony STR-DN1050
122 pages
Print Icon
To Next Page IconTo Next Page
To Next Page IconTo Next Page
To Previous Page IconTo Previous Page
To Previous Page IconTo Previous Page
Loading...
STR-DN1050
75
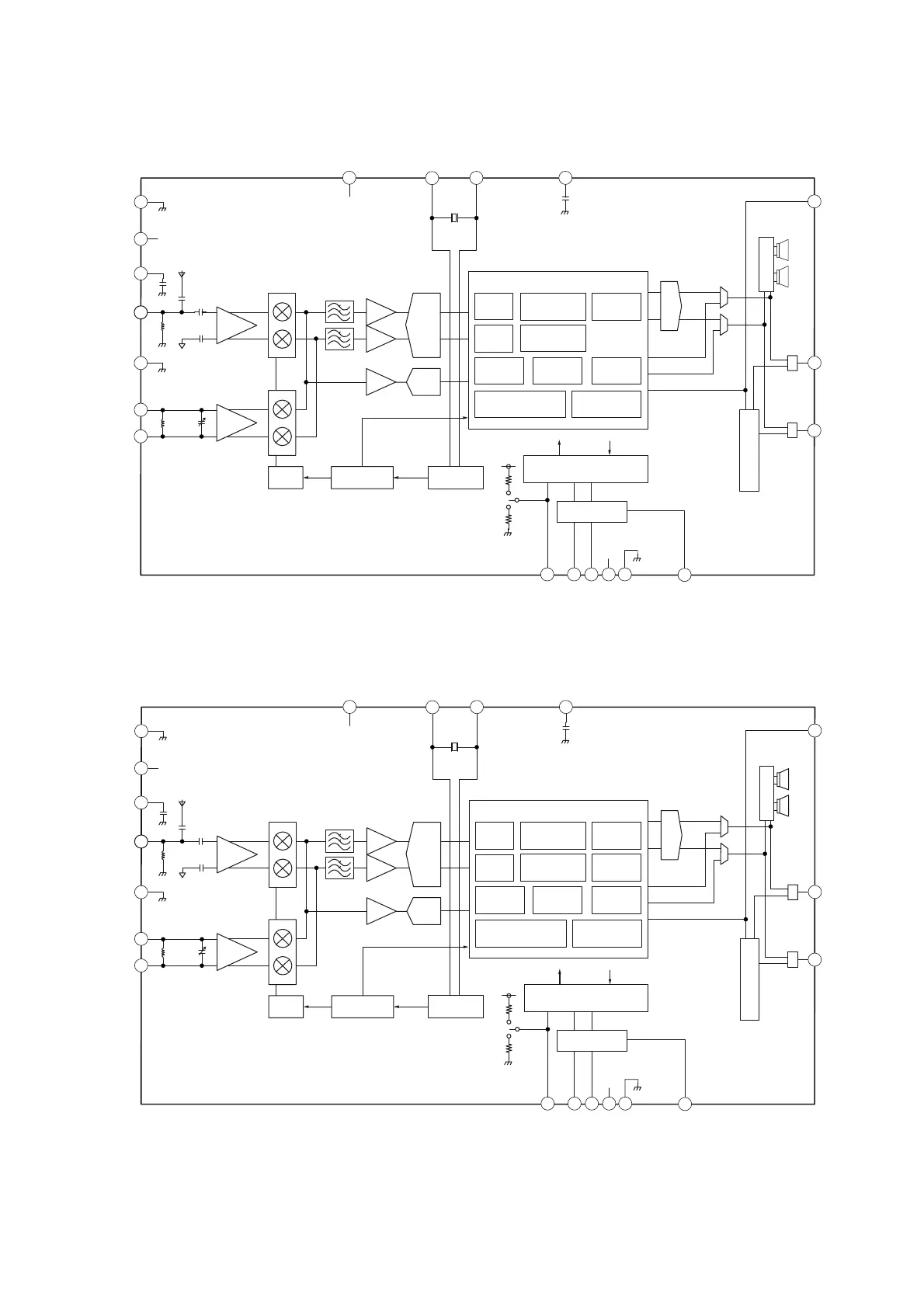
IC101 RZ5B801-0001E2 (TUNER1 BOARD) (US and Canadian models)
IC101 RZ5B801-0002E2 (TUNER1 BOARD) (except US and Canadian models)
GND
1
V
DDRF VDD
VDD
FM Antenna
FM LNA
Filter
AGC
AMP
ADC
Digital
Mixer
FM
Demodulator
AM
Demodulator
Digital
AGC
Stereo
Decoder
DAC
LOUT
ROUT
LRCK
BCLK
IISD
IIS Controller
IIS
Generator
Station
Detector
Image
Control
RSSI
Calculation
VDD
SPI
12C
HOST Controller
Serial Interface / Registers
Digital Filters
Digital Signal Process
ADC
AGC
AMP
AMP
AM LNA
LOSC
XOSC
Clock
Generator
AM
TUNE
AM Antenna
2
CP2
3
FRF1
4
GNDRF
5
ARF1
ARF2
IIC / R
DSI
LA
CK
VDD
GND
DA
IISD
IISD
LRCK / LOUT
Lch
Rch
BCLK / ROUT
BCLK
SW
VDD
X2
X1
CP1
SW
Amplifier
LRCK
20
19
18
17
16
15
14
13
12111098
7
6
5
4
3
2
1
GND
1
VDDRF VDD
VDD
FM Antenna
FM LNA
Filter
ADC
Digital
Mixer
FM
Demodulator
AM
Demodulator
Digital
AGC
RDS
Decoder
Stereo
Decoder
DAC
LOUT
ROUT
LRCK
BCLK
IISD
IIS Controller
IIS
Generator
Station
Detector
Image
Control
RSSI
Calculation
VDD
SPI
12C
HOST Controller
Serial Interface / Registers
Digital Filters
Digital Signal Process
ADC
AMP
AM LNA
LOSC
XOSC
Clock
Generator
AM
TUNE
AM Antenna
2
CP2
3
FRF1
4
GNDRF
5
ARF1
ARF2
IIC / R
DSI
LA
CK
VDD
GND
DA
IISD
IISD
LRCK / LOUT
Lch
Rch
BCLK / ROUT
BCLK
SW
VDD
X2
X1
CP1
SW
Amplifier
LRCK
20
19
18
17
16
15
14
13
12111098
7
6
5
4
3
2
1
AGC
AMP
AGC
AMP

Table of Contents

Other manuals for Sony STR-DN1050

Related product manuals