EasyManua.ls Logo

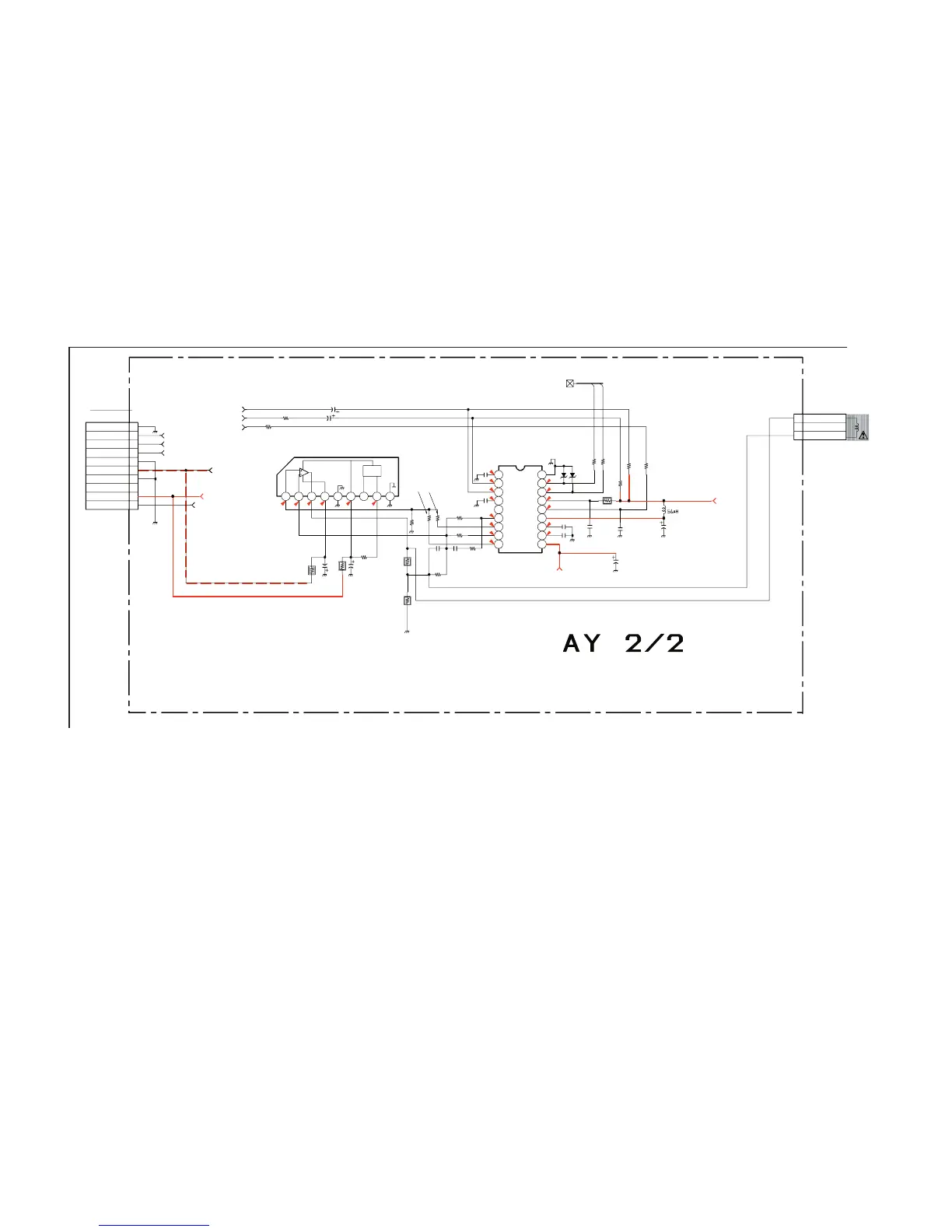
Sony TRINITRON KV-34DRC430 - AY Board Schematic Diagram (2 of 2)

Sony TRINITRON KV-34DRC430
144 pages
Print Icon
To Next Page IconTo Next Page
To Next Page IconTo Next Page
To Previous Page IconTo Previous Page
To Previous Page IconTo Previous Page
Loading...
72
KV-34DRC430/36DRC430
KV-34DRC430/36DRC430
 _ _  _  _  _  _  _  _  _
$
²
%
²
&
²
'
²
AY BOARD SCHEMATIC DIAGRAM (2 OF 2)
1
2
3
4
5
6
7
8
9
1
0
1
1
1
2
1
3
1
4
1
5
1
6
1
7
1
8
1
2
3
4
5
6
7
8
9
10
123456789
1
2
3
CN900
C900
C903
C909
C912
C915 C918
C921
C924
C927
C930
C933
C939
C942
C945
D900
D903
IC903
IC900
L900
R900
R903
R906
R909
R912
R915
R918
R920
R921
R927
R930
R933
R939
R942
R945
R948
R951
R949
R950
R954
CN903
10P
:B TO B
330
25V
220
1
1
330p 0.0047
0.033
0.033
0.33
270p
0.1
100
100p
100
RD12ESB2
RD12ESB2
CXA8070AP
DY-CONV.CONT
STK390-910
CONV AMP
0
0.47
0.47
68k
:1608
0.22
100
2W
:RS
4.7k
:RN-CP
0
4.7k
:RN-CP
1.5k
:1608
4.7k
4.7k
47
270 1W :RS
47
:1608
100k
100k
4.7k
:RN-CP
4.7k
1k
3P
VSIN
1
2
V
5
V
HPLS
SIIC
ACRLY
+BOVP
OCP
DFDAC
+15V
-15V
VDRV-
S
C
L
K
S
D
A
T
REF.V-OUT
H_STAT
V_STAT
A_GND
V_SIN
H_DY-CONV
V_DY-CONV
D_GND
SCL
SDL
D_VCC
REF.V-IN
HD-IN
H-SAW_C
H-AGC_C
A_VCC
V_SAW
NC
OUTPUT
MUTE
SUB
CY+
NC
CY-
ACRLY
GND
-15V
GND
AFC-PLS
+15V
+BOVP
+BOCP
GND
DFDAC
TO DZ CN5011
DY-CONV.
3.3
3
.
3
0
.
1
-
1
5
.
7
1
5
.
3
3.3
4.9
4.9
4.9
4.9
5.0
5.0
5.0
5.0
5.0
5.0
5.0
1.2
4.6
4.6
9-965-978-01<DA4>AY-2OF2

Table of Contents

Related product manuals