6-23
VPL-FX52/FX52L
6-23
2
3
4
5
1
ABCDEFGH
B (11/13)B (11/13)
1 2 3 4 5 6 7 8 9 10 11 12 13 14
15
16
17
18
19
20
21
22
23
24
25
26
27
28
2930313233343536373839404142
43
44
45
46
47
48
49
50
51
52
53
54
55
56
57
58
59
60
61
62
65
64
63
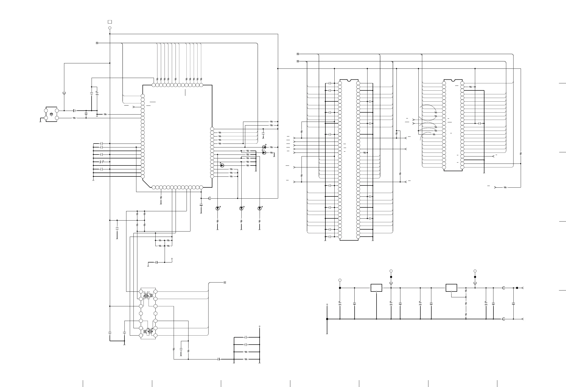
DP83847ALQA56A/J5000283
IC2000
TRANSCEIVER
RESERVED
RESERVED
RVIAS
RESERVED
RESERVED
RD-
RD+
RESERVED
RESERVED
TD+
TD-
RESERVED
RESERVED
AVDD
AB_0
AN_1
AN_EN
LED_SPEED
LED_RX/PHYAD4
LED_TX/PHYAD3
LED_GOLNK/PHYAD2
LED_COL/PHYAD1
LED_FDPLX/PHYAD0
MDIO
MDC
RXD_3
RXD_2
IO_VDD
RXD_1
RXD_D
RX_DV
RX_CLX
RX_ER/
PAUSE_EN
RESERVED
TX_ER
TX_CLX
TX_EN
TXD_0
TXD_1
TXD_2
TXD_3
C1
COL
RESERVERD
CRS/
LED_CFD
RESET
RESERVER
X2
X1
RESERVED
RESERVED
RESERVED
RESERVED
RESERVED
RESERVED
IO-VDD
VDD
GND
VDD
GND
RESERVED
GND
VDD
GND
GND
48
9
5356
1
495051
2
55 54 52
345678
47
10
46 45 44
434211 12 13 14 15 4140393837363516 17 18 19 20 21 22 343323 24 3225 31302926 27 28
575859606162636465666768697071727374757677787980818283848586
MT48LC2M32B2P-6-Y14W
IC2001
SDRAM
VDD
DQ0
VDDQ
DQ1
DQ2
VSSQ
DQ3
DQ4
VDDQ
DQ5
DQ6
VSSQ
DQ7
NC
VDD
DQM0
WE
CAS
RAS
CS
NC
BA0
BA1
A10
A0
A1
A2
DQM2
VDD
NC
DQ16
VSSQ
DQ17
DQ18
VDDQ
DQ19
DQ20
VSSQ
DQ21
DQ22
VDDQ
DQ23
VDD
VSS
DQ24
VSSQ
DQ25
DQ26
VDDQ
DQ27
DQ28
VSSQ
DQ29
DQ30
VDDQ
DQ31
NC
VSS
BQM3
A3
A4
A5
A6
A7
A8
A9
CKE
CLK
NC
NC
BQM1
VSS
NC
DQ8
VDDQ
DQ9
DQ10
VSSQ
DQ11
DQ12
VDDQ
DQ13
DQ14
VSSQ
DQ15
VSS
1234567
42434445464748 41 40 39 38 37 36 35 34 33
1615141312111098
32 31 30 29 28 27 26 25
17 18 19 20 21 22 23 24
S29AL016D70TFI010-823IP100
IC2003
FLASH ROM
A15
A14
A13
A12
A11
A10
A9
A8
A19
NC
WE
RESET
NC
NC
RY/
BY
A18
A17
A7
A6
A5
A4
A3
A2
A1 A0
CE
GND
OE
Q0
Q8
Q1
Q9
Q2
Q10
Q3
Q11
VCC
Q4
Q12
Q5
Q13
Q6
Q14
Q7
Q15/A-1
GND
BYTE
A16
1/16W RN-CP
47
R2006
0.5 %
1/16W RN-CP
47
R2009
0.5 %
1/16W RN-CP
47
R2011
0.5 %
1/16W RN-CP
47
R2014
0.5 %
1/16W RN-CP
47
R2016
0.5 %
1/16W RN-CP47R2017
0.5 %
1/16W RN-CP47R2019
0.5 %
1/16W RN-CP47R2020
0.5 %
1/16W RN-CP47R2021
0.5 %
1/16W RN-CP47R2022
0.5 %
1/16W RN-CP47R2023
0.5 %
1/16W RN-CP47R2024
0.5 %
1/16W RN-CP47R2025
0.5 %
1/16W RN-CP47R2026
0.5 %
1/16W
RN-CP
4.7kR2034
0.5 %
1/16W
RN-CP
4.7kR2035
0.5 %
1/16W
RN-CP
4.7kR2036
0.5 %
1/16W
RN-CP
4.7kR2037
0.5 %
1/16W
RN-CP
4.7k
R2028
0.5 %
1/16W
RN-CP
4.7k
R2029
0.5 %
1/16W
RN-CP
4.7k
R2030
0.5 %
D2001
XX
1/16W
RN-CP
10k
R2001
0.5 %
0uH
FB2001
0uH
FB2000
12
34
25MHz
X2000
1005
16V
0.01
B
C2000
1/16W
RN-CP
33
R2000
0.5 %
1005
16V
0.01
B
C2002
16V
10
C2003
XX
C2001
1005
16V
0.01
B
C2004
1005
16V
0.01
B
C2005
1005
16V
0.01
B
C2006
1005
16V
0.01
B
C2007
6.3V
47
C2008
1/16W
CHIP
5 %
10k
R2010
1005
16V
0.01
B
C2014
D2000
XX
D2002
XX
D2003
XX
D2005
XX
XX
R2042
XX
R2043
1005
16V
0.01
B
C2018
1/16W
RN-CP
1.5k
R2040
0.5 %
XX
R2027
XX
R2031
XX
R2039
1/10W
RN-CP
0.5 %
100
R2002
1/10W
RN-CP
0.5 %
100
R2003
1/10W
RN-CP
0.5 %
100
R2004
1/10W
RN-CP
0.5 %
100
R2005
1/10W
RN-CP
0.5 %
56
R2007
1/10W
RN-CP
0.5 %
56
R2012
1/10W
RN-CP
0.5 %
3.3k
R2008
1/10W
RN-CP
0.5 %
3.3k
R2013
1005
10V
0.1
B
C2012
TP2000
7
6
4
3
2
12
13
8
10
9
141
5
11
T2000
1005
10V
0.1
B
C2016
1005
10V
0.1
B
C2017
CHIP
0
R2032
CHIP
0
R2033
2kV
1000p
B
C2015
1/10W
RN-CP
75
R2018
1/10W
RN-CP
75
R2015
1005
16V
0.01
B
C2009
XX
C2013
XX
C2011
1005
16V
0.01
B
C2019
1005
16V
0.01
B
C2020
1005
16V
0.01
B
C2021
1005
16V
0.01
B
C2022
1005
16V
0.01
B
C2023
1005
16V
0.01
B
C2024
1005
16V
0.01
B
C2025
1005
16V
0.01
B
C2026
1/16W
RN-CP
4.7k
R2044
0.5%
1/16W
RN-CP
4.7k
R2045
0.5 %
1005
16V
0.01
B
C2029
1005
16V
0.01
B
C2030
1005
16V
0.01
B
C2031
1005
16V
0.01
B
C2032
1/16W
RN-CP
4.7k
R2046
0.5 %
1/16W
RN-CP
4.7k
R2047
0.5 %
1/16W
RN-CP
4.7k
R2048
0.5 %
CHIP
0
R2050
XX
R2051
XX
R2052
XX
R2053
1/16W
RN-CP
4.7k
R2049
0.5 %
1/16W
RN-CP
4.7k
R2057
0.5 %
1/16W
RN-CP
4.7k
R2059
0.5 %
1005
16V
0.01
B
C2037
CHIP
0
R2058
IO
ADJ
AIC1117A-33PYJTR
IC2002
3.3V REG
IO
ADJ
AIC1117A-CE
IC2004
1.5V REG
6.3V
47
C2033
6.3V
47
C2035
1005
10V
0.1
B
C2034
1005
10V
0.1
B
C2036
1005
10V
0.1
B
C2028
6.3V
47
C2027
JL2001
XX
JL2000
XX
0uH
FB2002
1/16W
CHIP
5 %
1k
R2054
1/16W
CHIP
5 %
100
R2055
1/16W
CHIP
5 %
100
R2056
6.3V
47
C2038
0uH
FB2003
0uH
FB2004
0uH
FB2005
1005
10V
0.1
B
C2039
1005
10V
0.1
B
C2040
MII_IP
12:8A
SUB_3.3V-IP
1005
10V
0.1
B
C2010
TP2001
D2004
XX
ADDR_IP
12:12A
DATA_IP
12:12C
BE0_IP
12:6A
CAS1_IP
12:6A
CAS2_IP
12:3D
CAS3_IP
12:4H
CAS0_IP
12:9F
BE2_IP
12:9F
BE3_IP
12:3F
BCLK_IP 12:9F
BE1_IP 12:3D
WE_IP
12:3D
RESET_IP
3C;12:12E
CS0_IP
12:3G
OE_IP
12:6A
TP2002
PLL_GND
12:9H
PLL_1.5V
12:9H
SUB_1.5V-IPSUB_3.3V-IP
RESET_IP
9C;12:12E
SUB_5V
CS1_IP
12:6A
XXR2038
1/16W
RN-CP
4.7k
R2041
0.5 %
-2
FG
LAN
2:2H
JL2002
XX
JL2003
XX
JL2004
XX
MII_IP_MDC
MII_IP_RXD3
MII_IP_RXD2
MII_IP_TXD3
MII_IP_TXD2
MII_IP_TXD1
MII_IP_TXD0
MII_IP_TXCLK
MII_IP_TXER
MII_IP_RXCLK
MII_IP_TXEN
MII_IP_RXD1
MII_IP_RXD0
MII_IP_RXDV
MII_IP_RXER
MII_IP_RXCRS
MII_IP_TXCOL
TX+
TX-
RX+
RX-
MII_IP_MDIO
DATA_IP_D0
DATA_IP_D1
DATA_IP_D2
DATA_IP_D3
DATA_IP_D4
DATA_IP_D5
DATA_IP_D6
DATA_IP_D7
ADDR_IP_A22
ADDR_IP_A21
ADDR_IP_A2
ADDR_IP_A3
ADDR_IP_A4
DATA_IP_D16
DATA_IP_D17
DATA_IP_D18
DATA_IP_D19
DATA_IP_D20
DATA_IP_D21
DATA_IP_D22
DATA_IP_D23
DATA_IP_D15
DATA_IP_D14
DATA_IP_D13
DATA_IP_D12
DATA_IP_D11
DATA_IP_D10
DATA_IP_D9
DATA_IP_D8
ADDR_IP_A11
ADDR_IP_A10
ADDR_IP_A5
ADDR_IP_A6
ADDR_IP_A7
ADDR_IP_A8
ADDR_IP_A9
DATA_IP_D31
DATA_IP_D30
DATA_IP_D29
DATA_IP_D28
DATA_IP_D27
DATA_IP_D26
DATA_IP_D25
DATA_IP_D24
ADDR_IP_A16
ADDR_IP_A15
ADDR_IP_A14
ADDR_IP_A13
ADDR_IP_A12
ADDR_IP_A11
ADDR_IP_A10
ADDR_IP_A9
ADDR_IP_A20
ADDR_IP_A21
ADDR_IP_A22
ADDR_IP_A3
ADDR_IP_A2
ADDR_IP_A4
ADDR_IP_A5
ADDR_IP_A6
ADDR_IP_A7
ADDR_IP_A8
ADDR_IP_A18
ADDR_IP_A19
ADDR_IP_A1
DATA_IP_D16
DATA_IP_D24
DATA_IP_D17
DATA_IP_D25
DATA_IP_D18
DATA_IP_D26
DATA_IP_D27
DATA_IP_D19
DATA_IP_D20
DATA_IP_D28
DATA_IP_D21
DATA_IP_D29
DATA_IP_D22
DATA_IP_D30
DATA_IP_D23
DATA_IP_D31
ADDR_IP_A17
IP
B
(11/13)
(TRANSCEIVER)