EasyManua.ls Logo

Sony VPL-FX52 - Page 38

Sony VPL-FX52
128 pages
Print Icon
To Next Page IconTo Next Page
To Next Page IconTo Next Page
To Previous Page IconTo Previous Page
To Previous Page IconTo Previous Page
Loading...
4-4
VPL-FX52/FX52L
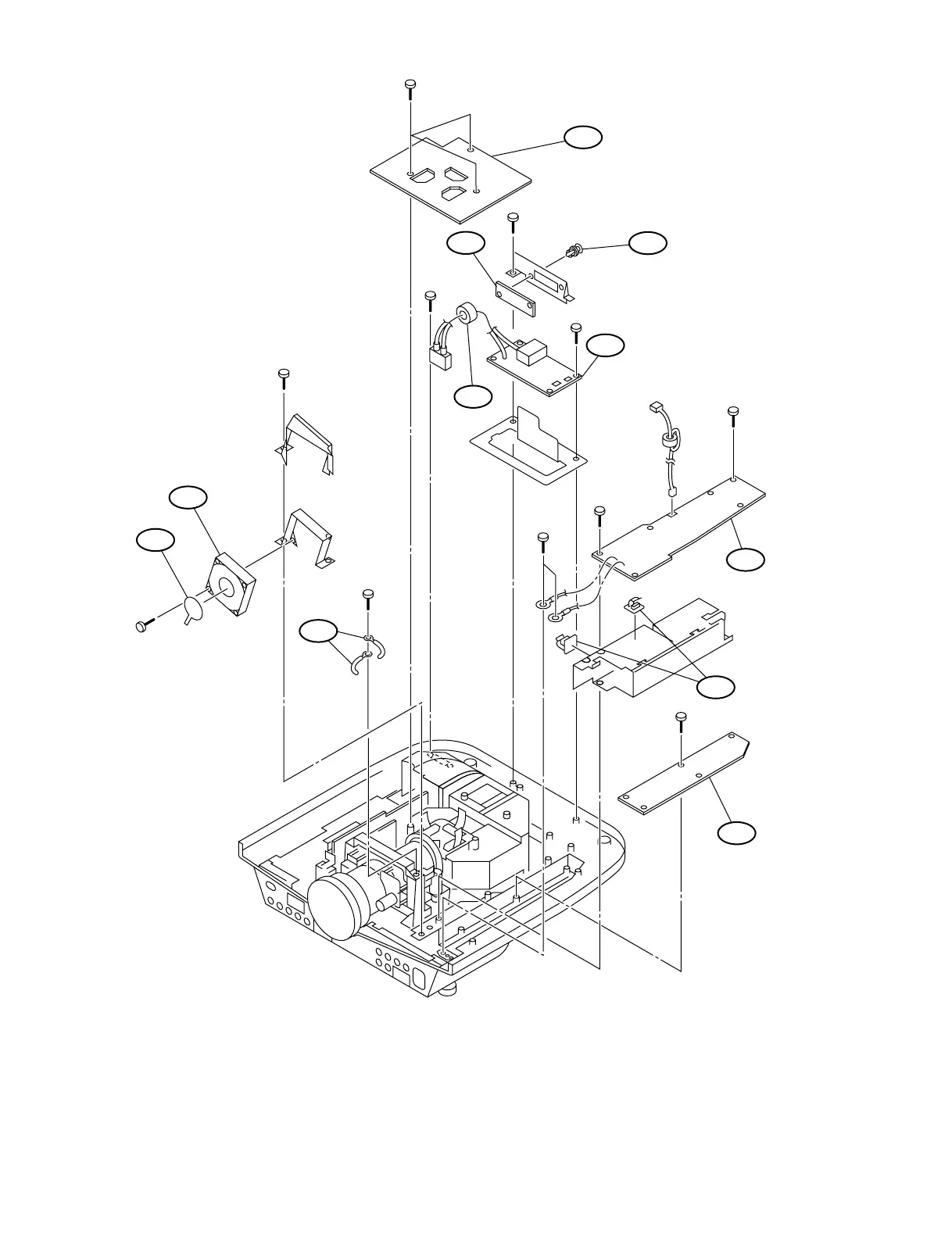
Chassis 1
101
110
102
104
106
105
103
107
108
+PS 4x12
+PSW 4x10
+PSW 4x10
+PSW 3x8
+PSW 3x8
+PSW 3x8
+PSW 3x8
+PSW 3x8
+PSW 3x8
+B 4x30
+PSW 3x8
109
111

Other manuals for Sony VPL-FX52

Related product manuals