EasyManua.ls Logo

Sorensen DLM16-185E - Figure 3-1. Operating Modes

Default Icon
66 pages
Print Icon
To Next Page IconTo Next Page
To Next Page IconTo Next Page
To Previous Page IconTo Previous Page
To Previous Page IconTo Previous Page
Loading...
Basic Operation Sorensen DLM-E Series
22 Operation Manual
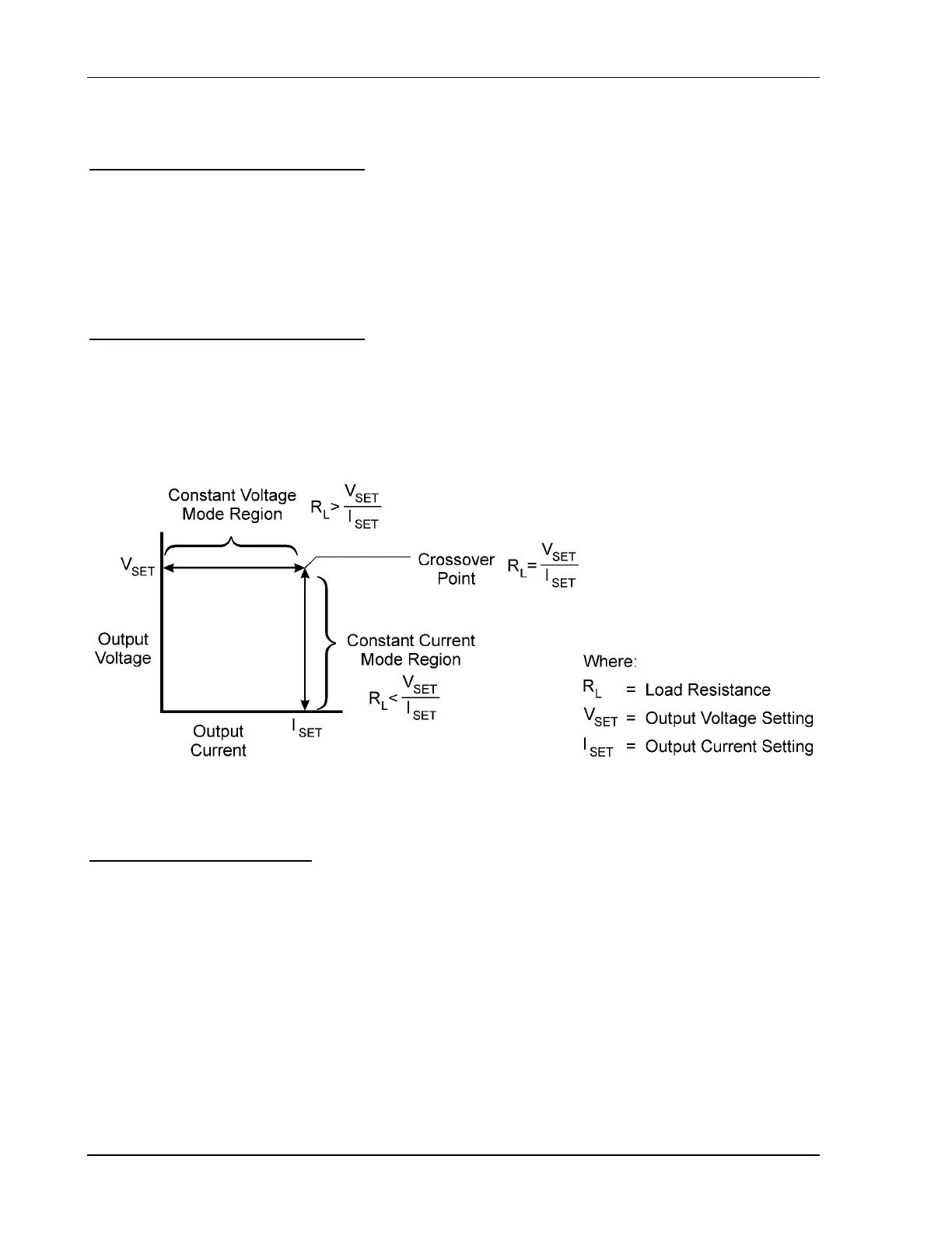
Figure 3–1 provides a graphical representation of the relationships between these variables.
Constant Voltage Mode Operation
The power supply will operate in constant voltage mode whenever the load current I
L
is less
than the current limit setting I
SET
, or: I
L
< I
SET
(Note: I
L
= V
SET
/ R
L
)
In constant voltage mode, the power supply maintains the output voltage at the selected value
(V
SET
) while the load current I
L
varies with the load requirements.
Constant Current Mode Operation
The power supply will operate in constant current mode whenever the load resistance is low
enough that the load current I
L
is greater than the current limit setting I
SET
, or: I
L
> I
SET
In constant current mode, the power supply maintains the output current at the selected value
(I
SET
) while the load voltage varies with the load requirements.
Figure 3–1. Operating Modes
Automatic Mode Crossover
This feature allows the power supply to automatically switch operating modes in response to
changing load requirements. If, for instance, the power supply was operating in Constant
Voltage Mode (I
L
< I
SET
), and the load changed so that the load current (I
L
) became greater
than the current limit setting (I
SET
), the power supply would automatically switch into Constant
Current Mode. If the additional load was subsequently removed so that the load current was
again less than the current limit setting, the supply would automatically return to Constant
Voltage Mode.

Table of Contents

Related product manuals