EasyManua.ls Logo

Spacelabs 91369 - Page 66

Spacelabs 91369
150 pages
Print Icon
To Next Page IconTo Next Page
To Next Page IconTo Next Page
To Previous Page IconTo Previous Page
To Previous Page IconTo Previous Page
Loading...
Theory
91369 Service Manual 3-14
Wireless LAN
The wireless LAN is implemented using a Symbol technologies 802.11b direct sequence spread-spectrum
radio. This card is a compact flash style card interfaced to the main CPU board through a PCMCIA interface
adapter. This adapter is connected to the MPC8270 CPU through a PCI1510 PC card controller. All timing is
PC card/PCMCIA standard. The wireless card resides in PCI subsystem. This wireless card communicates via
an embedded software driver through the VxWorks operating system. These packets contain received data or
data for transmission or commands to the wireless LAN card.
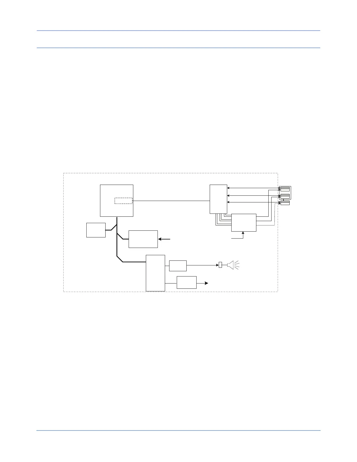
PCI/ISA Bridge
An Intel 82371EB South Bridge, which is part of the Intel Chipset 440BX, is used to simplify software porting.
The Bridge is the interface between the 32-bit PCI bus and the 16-bit ISA bus. The ISA bus is maintained for
the support of Audio CODEC, NVRAM, and ISA wireless interface.
The Bridge also contains the USB Root Controller, which connects to and controls the 4-port USB hub.
Figure 3-5: ISA subsystem
NVRAM
Non-volatile RAM (NVRAM) is used for SysGen, error logging, and time/date keeping. It is implemented with a
Dallas Semiconductor DS1644 non-volatile timekeeping RAM.
It is a highly integrated device, containing the following:
•32 K × 8 static RAM.
Lithium battery with a 10-year life.
Time-of-day clock with ±1 minute per month accuracy.
2,'8$
&('2&
/$15(71,
5(
.
$(
3
6
5.36
5(9,5'
782
(1,/
65(9,5'
$6,
,&3
(*',5
%
7225%
68
0$591
0
/(11$+&
7,%
&
'
$
&1
^
8
3&
</3
3
865(:
2
3
*
1
,5
2
7
,
12
0
687$76
-%4
3
93"53!3)
7,%
7523
%68
%8+
7523%68
5:3
71(
0
(
*
$1$0
9
-
-