EasyManua.ls Logo

SPE EXPERT 2K-FA - Transceiver Interconnection

SPE EXPERT 2K-FA
78 pages
Print Icon
To Next Page IconTo Next Page
To Next Page IconTo Next Page
To Previous Page IconTo Previous Page
To Previous Page IconTo Previous Page
Loading...
User manual EXPERT 2K-FA
Pag. 12 of 12 Issue 2 – May 2011
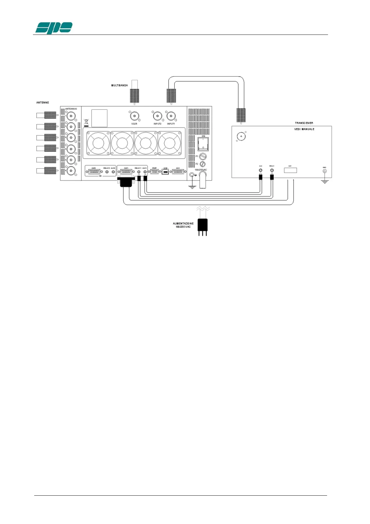
3. INTERCONNECTION WITH THE TRANSCEIVER
The diagram shows the connections with one transceiver only. To connect the second
transceiver repeat the same connections using the port “IN 2“.
For the ALC, RELAY connections, use the shielded cable (supplied) with phono RCA
connectors.
For the CAT connection, the cable must be made for the transceiver to be connected.
This cable may also be made to include ALC, RELAY ON / OFF (read the “CAT
CONNECTIONS“ chapter of this manual).
For all other information about connecting a transceiver, please refer to its manual.
Note: Do not use the RELAY and ALC phono connections if they have been implemented in
the DB15 “CAT” connectors.

Table of Contents

Related product manuals