EasyManua.ls Logo

stellar labs EC4000 - EC4000 Wiring Diagram

stellar labs EC4000
35 pages
Print Icon
To Next Page IconTo Next Page
To Next Page IconTo Next Page
To Previous Page IconTo Previous Page
To Previous Page IconTo Previous Page
Loading...
Stellar
®
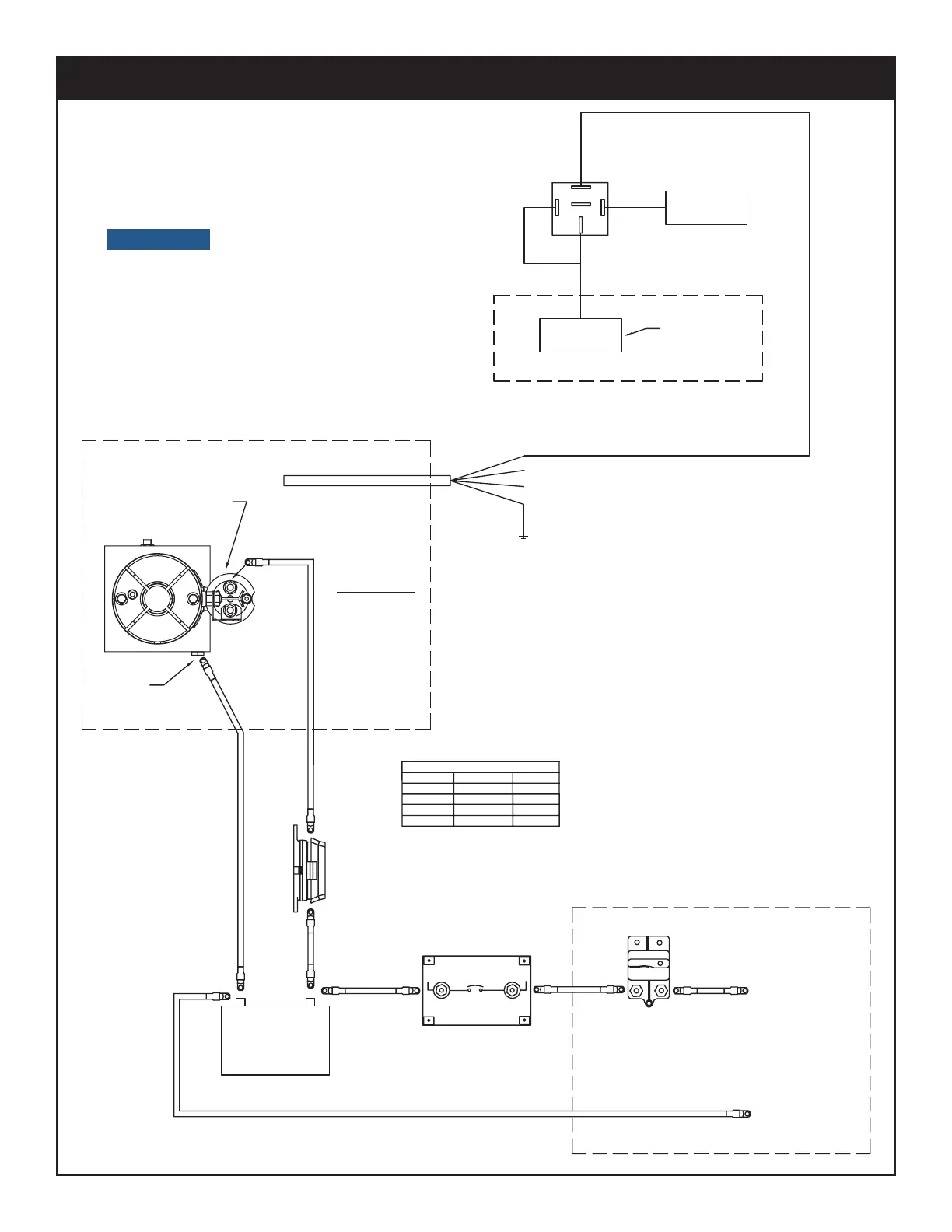
EC4000-20 Telescopic Crane Owner’s Manual | Page 15
Operating the crane without
the truck engine running could allow the truck
battery to be discharged below levels required
for starter cranking power.
NOTICE
AUX
BAT
CRANE HARNESS
+
-
Electronic
Switch
AUX BATTERY
GND
BATTERY SEPARATOR
(NOT SUPPLIED)
STELLAR #71443
(INSTALL TO MFR STANDARDS)
FUSE HOLDER
#32523
FUSE
(SEE CHART)
(STELLAR SUPPLIED)
TO CHASSIS HIGH POWER
GROUNDING LOCATION
TO CHASSIS BATTERY +
200A BREAKER
(NOT SUPPLIED)
STELLAR #119639
2GA
EC3200
250A
WIRE GA:
CRANE:
FUSE:
2GA
EC4000
250A
2GA
EC5000
250A
1/0
EC6000
300A
CRANE PWR WIRE
(SEE CHART)
87A
86
85
30
87
SAFETY BRAKE
(GROUND SIGNAL)
SWITCH POWER
15 AMP
OPT 1
OPT 2
GROUND
POWER
*LOCATE AUX BATTERY AS
CLOSE TO CRANE AS POSSIBLE
-CRANE-
-CAB OR CRANE COMPARTMENT-
POWER SOURCE FOR
RADIO REMOTE
-UNDERHOOD-
GROUND POST
START MOTOR
SOLENOID
Solenoid Torque Spec
Large Nuts: 35 in-lbs
Small Nuts: 15 in-lbs
WIRE & FUSE SIZING:
PARK INTERLOCK KIT
(NOT SUPPLIED)
STELLAR #123502
EC4000 Wiring Diagram

Related product manuals