EasyManua.ls Logo

STMicroelectronics 32L4R9IDISCOVERY - Page 58

STMicroelectronics 32L4R9IDISCOVERY
78 pages
Print Icon
To Next Page IconTo Next Page
To Next Page IconTo Next Page
To Previous Page IconTo Previous Page
To Previous Page IconTo Previous Page
Loading...
Schematics UM2271
58/78 DocID030906 Rev 2
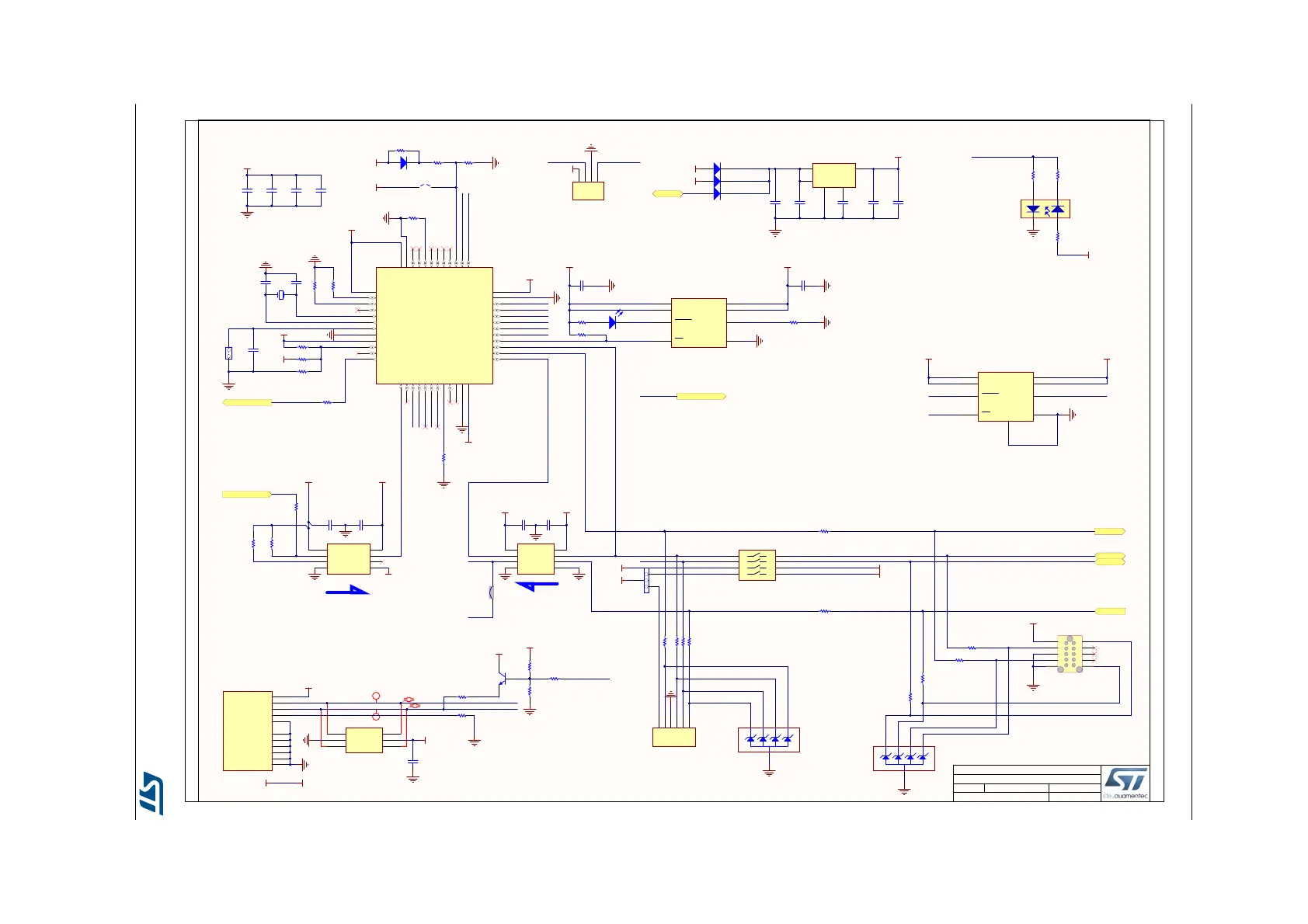
Figure 23. 32L4R9IDISCOVERY ST-LINK/V2-1
414
ST-LINK/V2-1
MB1311 C
28/08/2017
Title:
Size: Reference:
Date: Sheet: of
A3
Revision:
STM32L4R9I-DISCOProject:
STM_RST
T_JTCK
T_JTCK
T_JTDO
T_JTDI
T_JTMS
OSC_IN
OSC_OUT
T_NRST
AIN_1
USB ST-LINK
COM
Board Ident: PC13=0
T_SWDIO_IN
LED_STLINK
MCO
STLINK_RX
STLINK_TX
T_SWO
USB_RENUMn
USB_RENUMn
+3V3_ST_LINK
+3V3_ST_LINK
PWR_EXT
51
2
GND
3
4
BYPASS
INH
Vin Vout
U31
LD3985M33R
+3V3_ST_LINK
+3V3_ST_LINK
Power Switch to supply +5V
from STLINK USB
PWR_ENn
+3V3_ST_LINK
3
1
2
T12
9013-SOT23
VUSB_ST_LINK
VUSB_ST_LINK
VUSB_ST_LINK
VDD_STL
LED_STLINK
+3V3_ST_LINK
STM_JTMS
STM_JTCK
T_JRST
STL_USB_D_N
STL_USB_D_P
STL_USB_D_N
STL_USB_D_P
5V_STL
VUSB_ST_LINK U5V_ST_LINK
D7
BAT60JFILM
+3V3_ST_LINK
VBAT
1
PC13
2
PC14
3
PC15
4
OSC_IN
5
OSC_OUT
6
/RST
7
VSSA
8
VDDA
9
PA0
10
PA1
11
U2_TX
12
U2_RX
13
U2_CK
14
S1_CK
15
S1_MISO
16
S1_MOSI
17
PB0
18
PB1
19
PB2/BOOT1
20
PB10
21
VSS_1
23
VDD_1
24
PB12
25
PB11
22
S2_CK
26
S2_MISO
27
S2_MOSI
28
PA8
29
PA9
30
PA10
31
PA11
32
PA12
33
JTMS
34
VSS_2
35
VDD_2
36
JTCK
37
JTDI
38
JTDO
39
JNRST
40
PB5
41
PB6
42
PB7
43
BOOT0
44
PB8
45
PB9
46
VSS_3
47
VDD_3
48
U30
STM32F103CBT6
output current limitation : 625mA
+3V3_ST_LINK
USB Virtual ComPort
SWD to MCU
TCK/SWCLK
TMS/SWDIO
NRST
SWCLK
PA14
SWDIO
PA13
SWO
PB3
Red
_Green
21
34
LD4
HSMF-A201-A00J1
T_JTDO
T_JTMS
VccA
1
A1
2
A2
3
GND
4
DIR
5
B2
6
B1
7
VccB
8
U10
SN74LVC2T45DCUT
VDD_STL
T_SWO
+3V3_ST_LINK
+3V3_ST_LINK
SWO_MCU
VCCA
1
A1
2
A2
3
GND
4
DIR
5
B2
6
B1
7
VCCB
8
U8
SN74LVC2T45DCUT
VDD_STL
VDD_STL
+3V3_ST_LINK
USART_TX
USART_RX
PA2
PA3
1 2
X3
NX3225GD-8.00M
transistor pins numbers follow
SOT23 JEDEC standard,
VBUS
1
DM
2
DP
3
ID
4
GND
5
Shield
6
USB_Micro-B receptacle
Shield
7
Shield
8
Shield
9
EXP
10
EXP
11
CN13
1050170001
STLINK power supply
IN
1
IN
2
ON
3
GND
4
SET
5
OUT
6
OUT
7
FAULT
8
U11
ST890CDR
T_JTCK
T_NRST
+5V
VDD
5V_STL
VDD_STL
1
1
2
2
3
3
4
4
5
5
6
6
7
7
8
8
SW1
EDG-501S
SWD
1
2
3
4
5
6
CN5
313106S111116
Only footprint with Cable: TC2050-IDC-NL
PA13
PA14
PB3
VDD
TAG
+3V3_ST_LINK
1
2
3
4
CN15
[N/A]
STM_JTMSSTM_JTCK
SWCLK SWDIO
Not Fitted, must be on a border or the PCB.
VUSB_ST_LINK 5V_USB_CHARGER
1
2
3
JP10
1
2
3
4
5 6
7
8
9
10
CN8
Tag-10_C
100nF
C37
100nF
C29
100nF
C31
100nF
C40
R103 [N/A]
2K7
R104
4K7
R105
100K
R106
10K
R101
10pF
C98
10pF
C93
100nF
C92
4K7R92
4K7R93
0R88
100K
R25
100nF
C19
100nF
C22
0
R20
100K
R19
100K
R18
100KR86
[N/A]
1K5R98
10K
R34
36K
R36
100R35
100 R94
100 R28
100 R30
100 R32
100R110
100R26
100
R111
100
R115
R33 820
10KR29
100nF
C35
1uF
C41
0
R22
100
R21
100
R23
1uF
C95
100nF
C94
100nF
C34
100nF
C32
1uF
C96
100nF
C97
10nF
C91
1 2
Fault
Red
LD5
SB36
SB14
0R24
0R31
D4 BAT60JFILM
D5 [N/A]
D6 [N/A]
E5V
U5V
R102
[N/A]
R91 [N/A]
I/O1
1
GND
2
I/O2
3
I/O2
4
Vbus
5
I/O1
6
U28
USBLC6-2SC6
i
Diff Pair 90ohm
i
Diff Pair 90ohm
100nF
C79
VUSB_ST_LINK
JP8
[N/A]
1
3
2
4
5
U12
ESDALC6V1W5
2K2
R27
MCO_STLINK
MCO
To HSE input OSC_IN_PH0
1
3
2
4
5
U32
ESDALC6V1W5
ST890DTR
IN
1
IN
2
ON
3
GND
4
SET
5
OUT
6
OUT
7
FAULT
8
E-PAD
9
U33
[N/A]
Power Switch ST890 will be populated:
- either by U11 ST890CDR in SO8 package
- either by U33 ST890DTR in DFN8L package
VUSB_ST_LINK
PWR_ENn
U11_8
U11_8
U5V_ST_LINK
U11_5
U11_5

Table of Contents

Related product manuals