EasyManua.ls Logo

STMicroelectronics 32L4R9IDISCOVERY - Page 61

STMicroelectronics 32L4R9IDISCOVERY
78 pages
Print Icon
To Next Page IconTo Next Page
To Next Page IconTo Next Page
To Previous Page IconTo Previous Page
To Previous Page IconTo Previous Page
Loading...
UM2271 Schematics
DocID030906 Rev 2 61/78
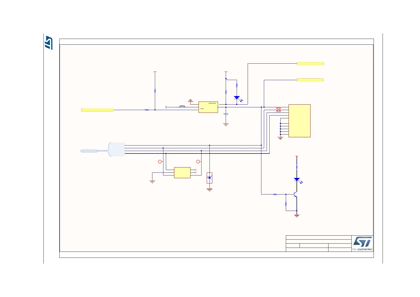
Figure 26. 32L4R9IDISCOVERY USB OTG FS
714
USB_OTG_FS
MB1311 C
28/08/2017
Title:
Size: Reference:
Date: Sheet: of
A4
Revision:
STM32L4R9I-DISCOProject:
+5V
+3V3
VBUS
1
DM
2
DP
3
ID
4
GND
5
Shield
6
USB_Micro-AB receptacle
Shield
7
Shield
8
Shield
9
EXP
10
CN9
475900001
PA9
PA10
PA11
PA12
MFX_GPIO13
VBUS OK
MFX_GPIO14
+3V3
transistor pins numbers follow
SOT23 JEDEC standard,
USB Full Speed operating range voltage: 3.0V<VDDUSB<3.6V
GND
2
IN
5
EN
4
OUT
1
FAULT
3
U16
STMPS2141STR
3
1
2
T13
9013-SOT23
VBUS
DM
DP
ID
USB_OTG
USB_OTGFS_VBUS
USB_OTGFS_DM
USB_OTGFS_DP
USB_OTGFS_ID
USB_OTGFS_OVRCR
USB_OTG
USB_OTGFS_PPWR_EN
USB_OVER
U5V
47K
R40
47K
R39
12
Red
LD7
4.7uF
C43
0R41
620
R38
12
Green
LD6
47K
R113
10K
R114
330
R43
SB15
+5V
D_N
D_POpen drain
I/O1
1
GND
2
I/O2
3
I/O3
4
VBUS
5
I/O4
6
U18
USBLC6-4SC6
12
D2
ESDA7P60-1U1M
Place Diode close to the pin 5 / 6 of
USBLC6-4SC6
Diode added, for USB Cable detach
workaround
iDiff Pair 90 ohm iDiff Pair 90 ohm

Table of Contents

Related product manuals