EasyManua.ls Logo

Subaru 2014 Impreza - Information Display (if Equipped); Outside Temperature Indicator

Subaru 2014 Impreza
490 pages
Print Icon
To Next Page IconTo Next Page
To Next Page IconTo Next Page
To Previous Page IconTo Previous Page
To Previous Page IconTo Previous Page
Loading...
Information display (if
equipped)
NOTE
For models with color multi function
display, refer to Multi function dis-
play F3-28.
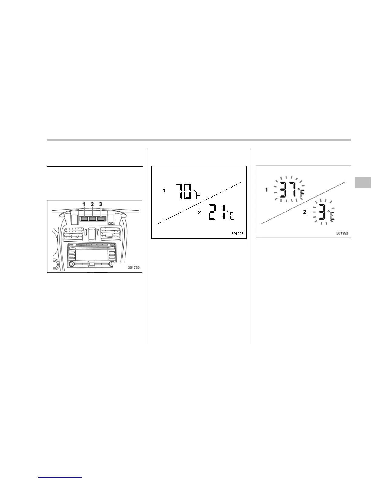
1) Outside temperature indicator
2) Driving information display
3) Clock
WiththeignitionswitchintheACC
position, the clock appears on the display.
With the ignition switch in the ON
position, the outside temperature indica-
tor, driving information display and clock
all appear on the display.
& Outside temperature indica-
tor
1) U.S.-spec. models
2) Except U.S.-spec. models
The outside temperature indicator shows
the outside temperature in a range from
40 to 1228F(40 to 508C).
The indicator can give a false reading
under any of the following conditions.
. When there is too much sun.
. During idling; while running at lo w
speeds in a traffic jam; when the engine
is restarted immediately following a shut-
down.
. When the actual outside temperature
falls outside the specified indicator range.
! Road surface freeze warning indi-
cation
1) U.S.-spec. models
2) Except U.S.-spec. models
When the outside temperature drops to
378F(38C) or lower, the temperature
indication flashes to show that the road
surface may be frozen.
If the outside temperature drops to 378F
(38C) or lower while the display is giving
an indication other than the outside
temperature, the display switches to the
outside temperature indication and flashes
for 5 seconds before returning to its
original indication.
If the display is already indicating an
outside temperature of 378F(38 C) or lower
when the ignition switch is turned to the
Instruments and controls/Information display
3-23
CONTINUED

Table of Contents