EasyManua.ls Logo

Sullair LS-12 - Wiring Diagram - Single Control with Annunciator

Sullair LS-12
112 pages
To Next Page IconTo Next Page
To Next Page IconTo Next Page
To Previous Page IconTo Previous Page
To Previous Page IconTo Previous Page
Loading...
Section 7
ILLUSTRATIONS AND PARTS LIST
104
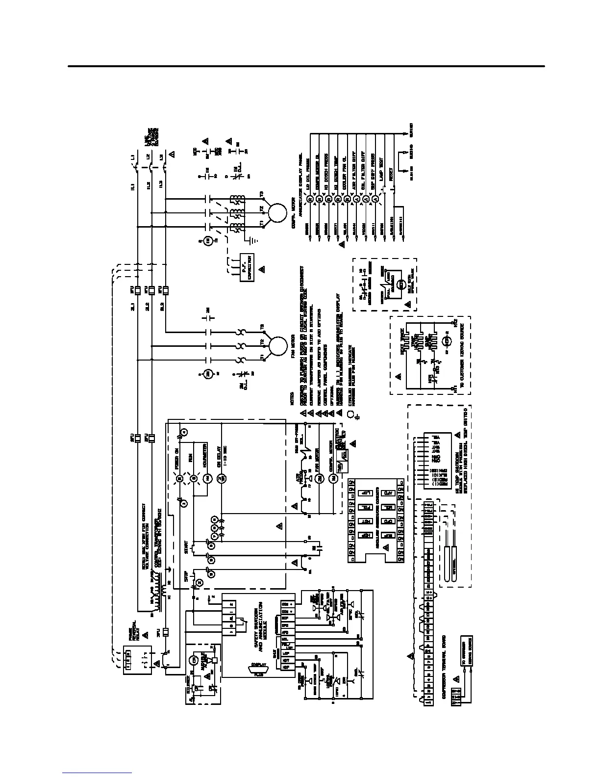
7.22 WIRING DIAGRAM --- SINGLE CONTROL W ITH ANNUNICATOR

Table of Contents

Related product manuals