EasyManua.ls Logo

SUNWARD SWE20B - Hydraulic Drawing

SUNWARD SWE20B
102 pages
Print Icon
To Next Page IconTo Next Page
To Next Page IconTo Next Page
To Previous Page IconTo Previous Page
To Previous Page IconTo Previous Page
Loading...
98
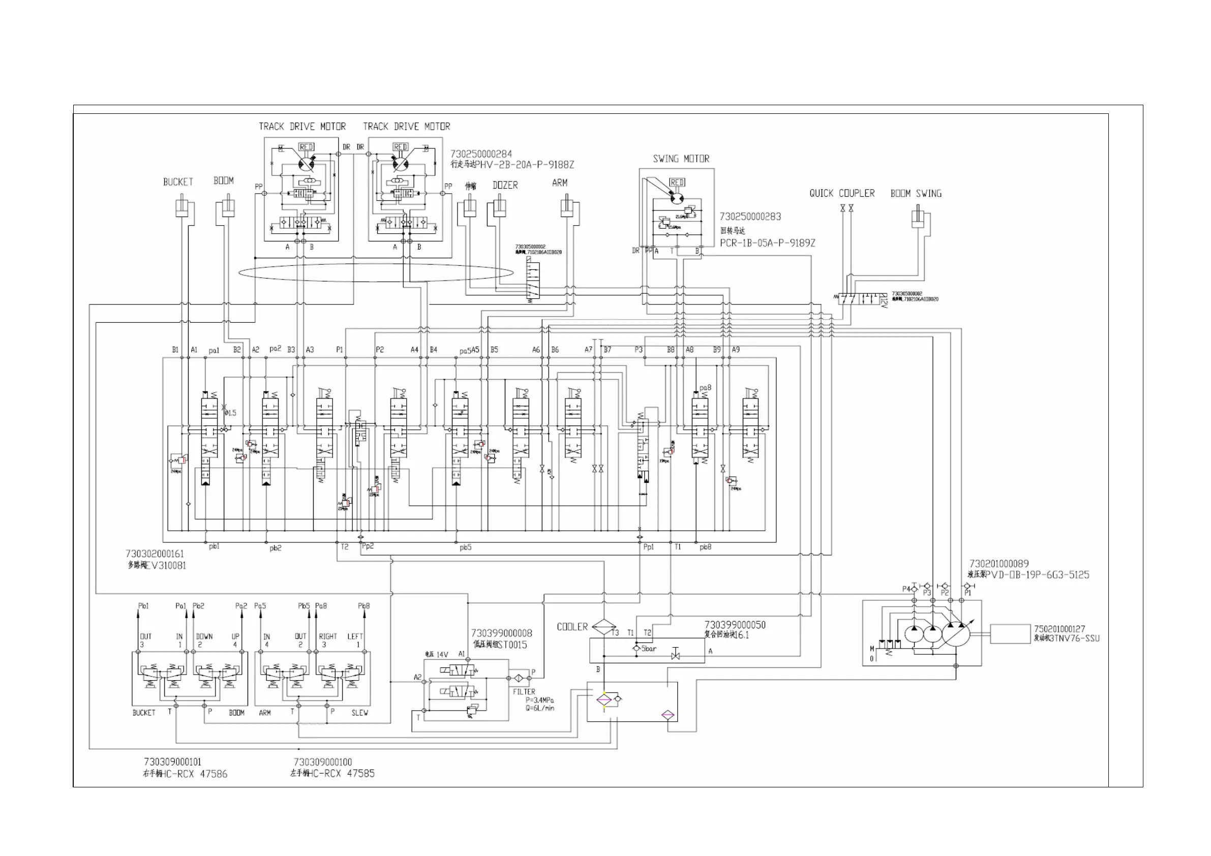
8.2 FOUR PUMP SYSTEM HYDRAULIC DRAWING

Table of Contents

Related product manuals