EasyManua.ls Logo

SUNWARD SWE25UF - Hydraulic Drawing

SUNWARD SWE25UF
106 pages
Print Icon
To Next Page IconTo Next Page
To Next Page IconTo Next Page
To Previous Page IconTo Previous Page
To Previous Page IconTo Previous Page
Loading...
99
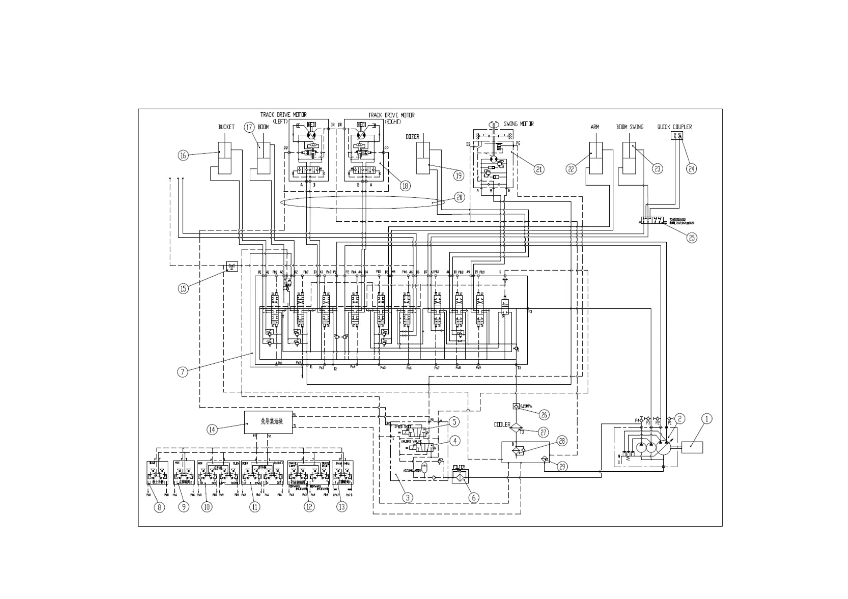
8.2 HYDRAULIC DRAWING

Table of Contents

Related product manuals