EasyManua.ls Logo

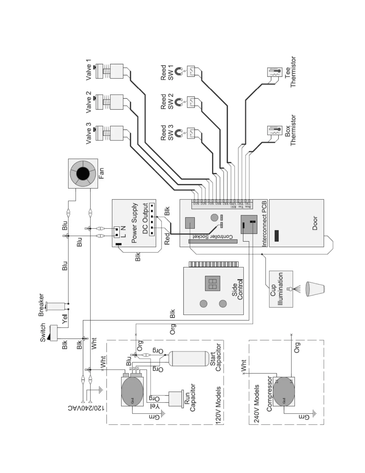
SureShot AC-10 - Wiring Diagram

Default Icon
28 pages
Print Icon
To Next Page IconTo Next Page
To Next Page IconTo Next Page
To Previous Page IconTo Previous Page
To Previous Page IconTo Previous Page
Loading...
SureTouch Refrigerated Liquid Dispensers SureShot Technical Assistance Center: 1-888-777-9990 or 902-865-9602
21
WIRING DIAGRAM

Related product manuals