EasyManua.ls Logo

System Sensor PDRP-2001 - Wiring Configuration; Powering ANN-BUS Devices from Auxiliary Power Supply

System Sensor PDRP-2001
132 pages
Print Icon
To Next Page IconTo Next Page
To Next Page IconTo Next Page
To Previous Page IconTo Previous Page
To Previous Page IconTo Previous Page
Loading...
36 PDRP-2001 Series Manual — P/N 53043:E4 7/28/2016
Installation ANN-BUS Devices
Wiring Configuration
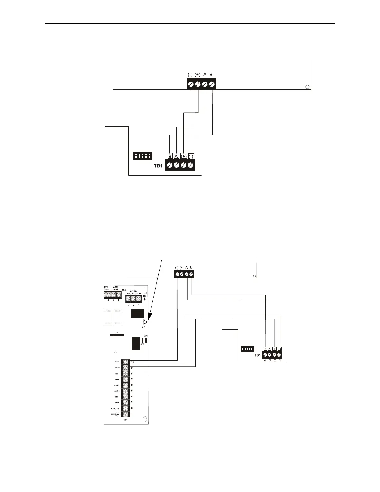
Figure 2.16 illustrates the wiring between the FACP and ANN-BUS devices.
Powering ANN-BUS Devices from Auxiliary Power Supply
Figure 2.17 illustrates the powering of ANN-BUS devices from an auxiliary power supply such as
the FCPS-24FS6/8, when the maximum number of ANN-BUS devices exceeds the ANN-BUS
power requirements.
Figure 2.16 FACP wiring to ANN-BUS Device
FACP
ANN-80
ANN-BUS and power wiring are
supervised and power-limited
TB3
aan80toRP2001.cdr
Primary ANN-BUS
Figure 2.17 Powering ANN-BUS Devices from FCPS-24FS6/8
ANN-80
FACP
FCPS-24FS6/8
+24 VDC
-24 VDC
ANN-BUS
Cut Ground Fault Detection jumper JP1 (FACP monitors for ground faults)
ANN-BUS and power wiring are
supervised and power-limited
TB3
ann80toFCPSrp2001.cdr
Primary ANN-BUS

Table of Contents

Related product manuals