EasyManua.ls Logo

SystemAir VR 250 ECH/B - Dimensjoner Og Vekt

SystemAir VR 250 ECH/B
56 pages
Print Icon
To Next Page IconTo Next Page
To Next Page IconTo Next Page
To Previous Page IconTo Previous Page
To Previous Page IconTo Previous Page
Loading...
31
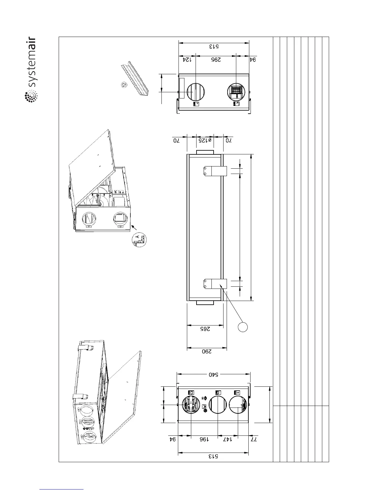
Dimensjoner og vekt
A
D
E
C
B
11
1071
783 4040
266
133 133
133
Position Beskrivelse
A Tilluft, Ø125mm
B Avkast for forurenset luft, Ø125mm
C Friskluftinntak, Ø125mm
D Avtrekk, Ø125mm
E Evt. Kjøkkenhette, Ø125mm
11 Takoppheng
12 Brakett for veggmontering
Fig. 1
Vekt: 45 kg

Table of Contents