EasyManua.ls Logo

Tait TM8000 Series - Circuit Description

Tait TM8000 Series
82 pages
Print Icon
To Next Page IconTo Next Page
To Next Page IconTo Next Page
To Previous Page IconTo Previous Page
To Previous Page IconTo Previous Page
Loading...
TM8000 Mobile Radio Accessories Manual TMAA10-01 Desktop Microphone 61
March 2004 © Tait Electronics Limited
.
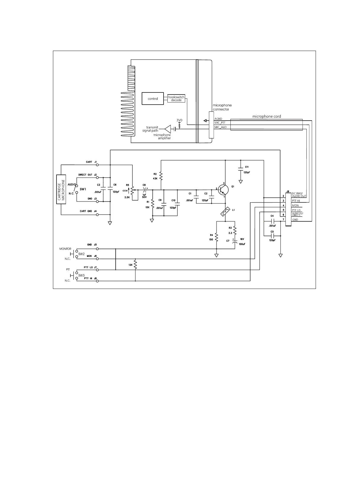
6.5 Circuit Description
The desktop microphone uses a dynamic microphone capsule and contains
a pre-amplifier (Q1) to boost the microphone level to that required by the
radio. Power for the pre-amplifier is provided by the electret microphone
bias circuit within the radio. R5 is used to adjust the gain.
PTT and hookswitch signals are combined onto one line and fed to the
control head PTT input of the radio.
Figure 6.2 Desktop microphone to radio interface

Table of Contents

Other manuals for Tait TM8000 Series

Related product manuals