EasyManua.ls Logo

Takeuchi TW9 - Page 27

Takeuchi TW9
114 pages
Print Icon
To Next Page IconTo Next Page
To Next Page IconTo Next Page
To Previous Page IconTo Previous Page
To Previous Page IconTo Previous Page
Loading...
Technical data 3
TW9 21
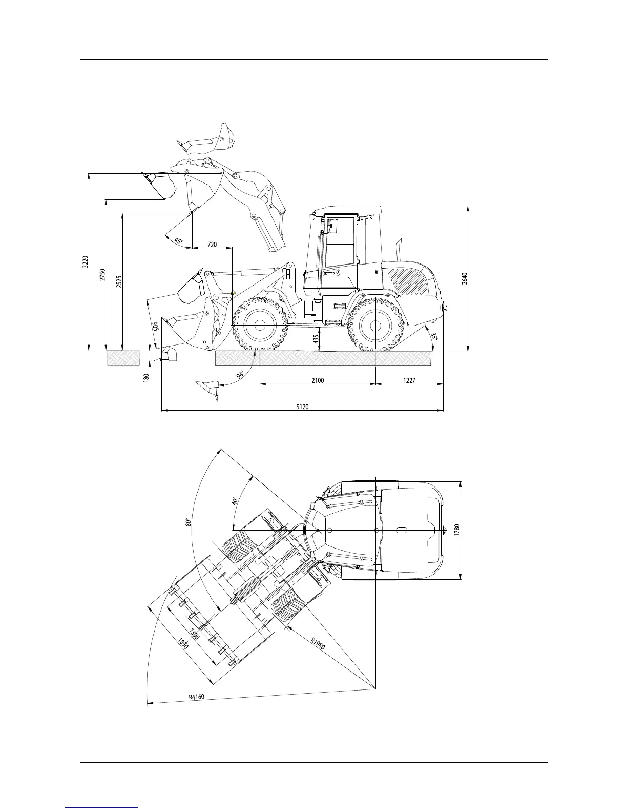
Multi-purpose bucket and Z kinematics
Fig. 7 Dimensioned drawing - multi-purpose bucket and Z kinematics
Tires 405/70 R18

Table of Contents