EasyManua.ls Logo

Technosoft IDM240-5EI - Page 36

Technosoft IDM240-5EI
106 pages
Print Icon
To Next Page IconTo Next Page
To Next Page IconTo Next Page
To Previous Page IconTo Previous Page
To Previous Page IconTo Previous Page
Loading...
© Technosoft 2011 25
IDMx40 Technical Reference
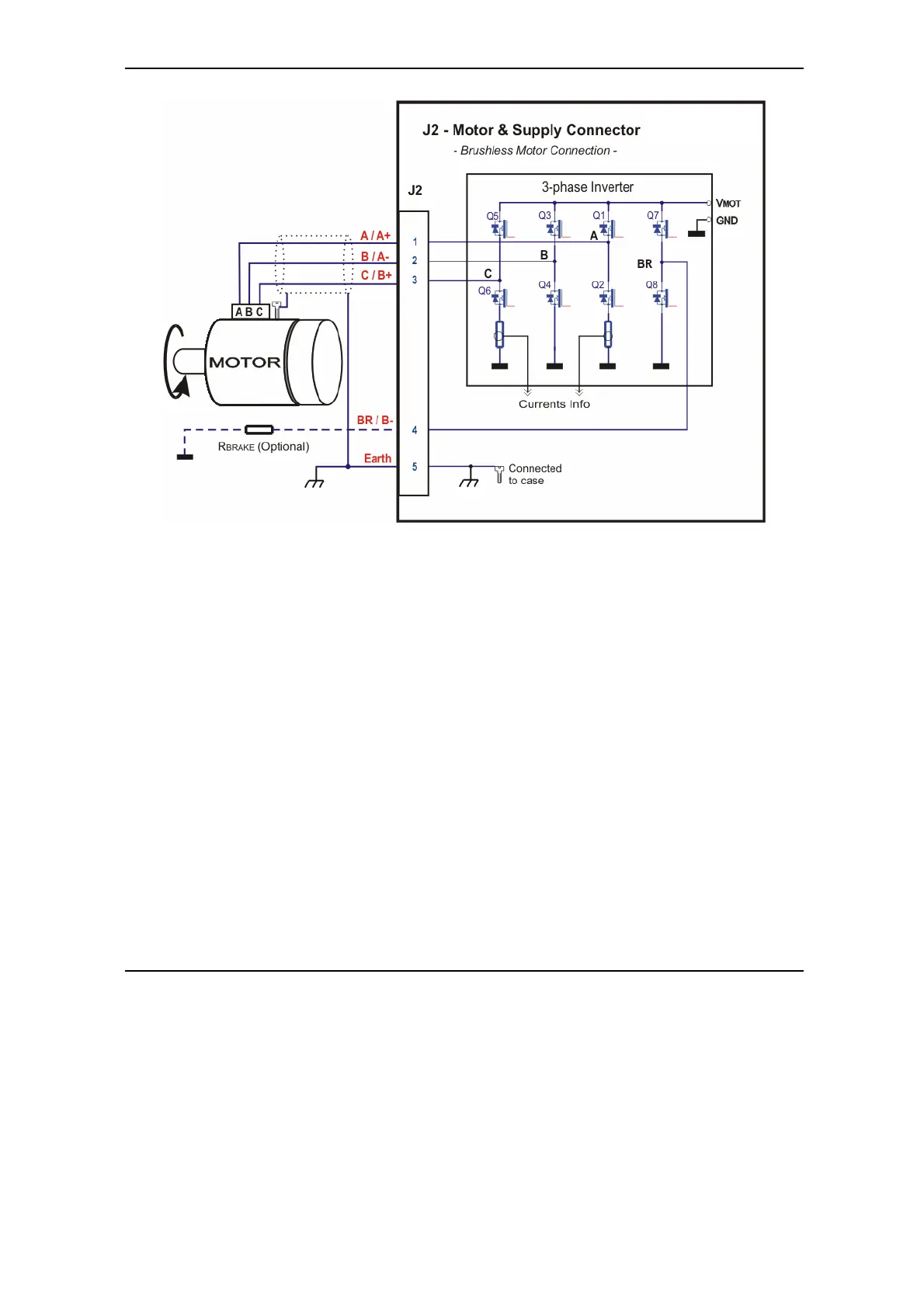
Figure 3.8. J2 – Brushless motor connection
IDMx40

Table of Contents