EasyManua.ls Logo

Technosoft IDM240-5EI - Page 52

Technosoft IDM240-5EI
106 pages
Print Icon
To Next Page IconTo Next Page
To Next Page IconTo Next Page
To Previous Page IconTo Previous Page
To Previous Page IconTo Previous Page
Loading...
© Technosoft 2011 41
IDMx40 Technical Reference
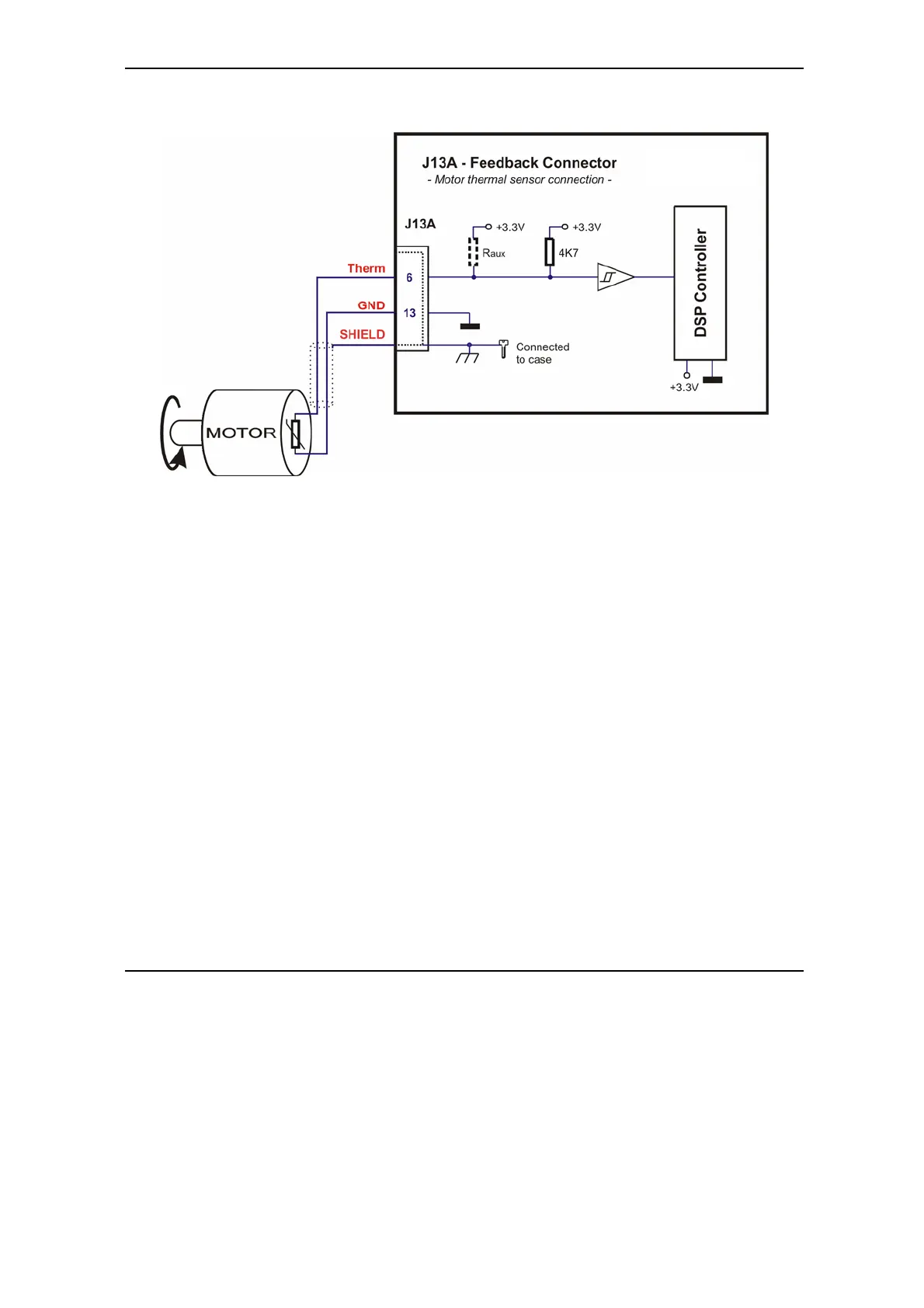
Figure 3.23. J13A – Motor thermal sensor connection
3.2.4.1 Recommendations for Feedback Devices Wiring
a)
Always connect both positive and negative signals when the encoder or the Hall sensors are
differential and provides them. Use one twisted pair for each differential group of signals as
follows: A1+ with A1-, B1+ with B1-, Z1+ with Z1-, H1/B2/DT+ with H1/B2/DT-, H2/Z2+ with
H2/Z2-, H3/A2/CK+ with H3/A2/CK-. Use another twisted pair for the 5V supply and GND.
b) Keep the ground connection between an encoder and the IDMx40 even if the encoder supply
is not provided by the drive. When using shielded cable, connect the cable shield to the earth
at the encoder side. Leave the shield unconnected at the IDMx40 side. Never use the shield
as a conductor caring a signal, for example as a ground line!. This situation can lead to a
worse behavior than a non-shielded cable
c) Always use shielded cables to avoid capacitive-coupled noise when using single-ended
encoders or Hall sensors with cable lengths over 1 meter. Connect the cable shield
to the
earth potential, at only one end. This point could be either the IDMx40 (using the earth/shield
pin(s)) or the encoder / motor. Do not connect the shield at both ends.
d) If the IDMx40 5V supply output is used by another device (like for example an encoder) and
the connection cable is longer than 5 meters, add a decoupling capacitor near the supplied
device, between the +5V and GND lines. The capacitor value can be 1...10 μF, rated at 6.3V.
IDMx40

Table of Contents