EasyManua.ls Logo

Technosoft IDM240-5EI - Page 59

Technosoft IDM240-5EI
106 pages
Print Icon
To Next Page IconTo Next Page
To Next Page IconTo Next Page
To Previous Page IconTo Previous Page
To Previous Page IconTo Previous Page
Loading...
© Technosoft 2011 48
IDMx40 Technical Reference
2
3
5
9
485B-
485A+
GND
RS-232
Transceiver
RS-485
Transceiver
+5V
1
6
+3.3V
232Rx
232Tx
485Rx
485Tx
- RS-485 Connection -
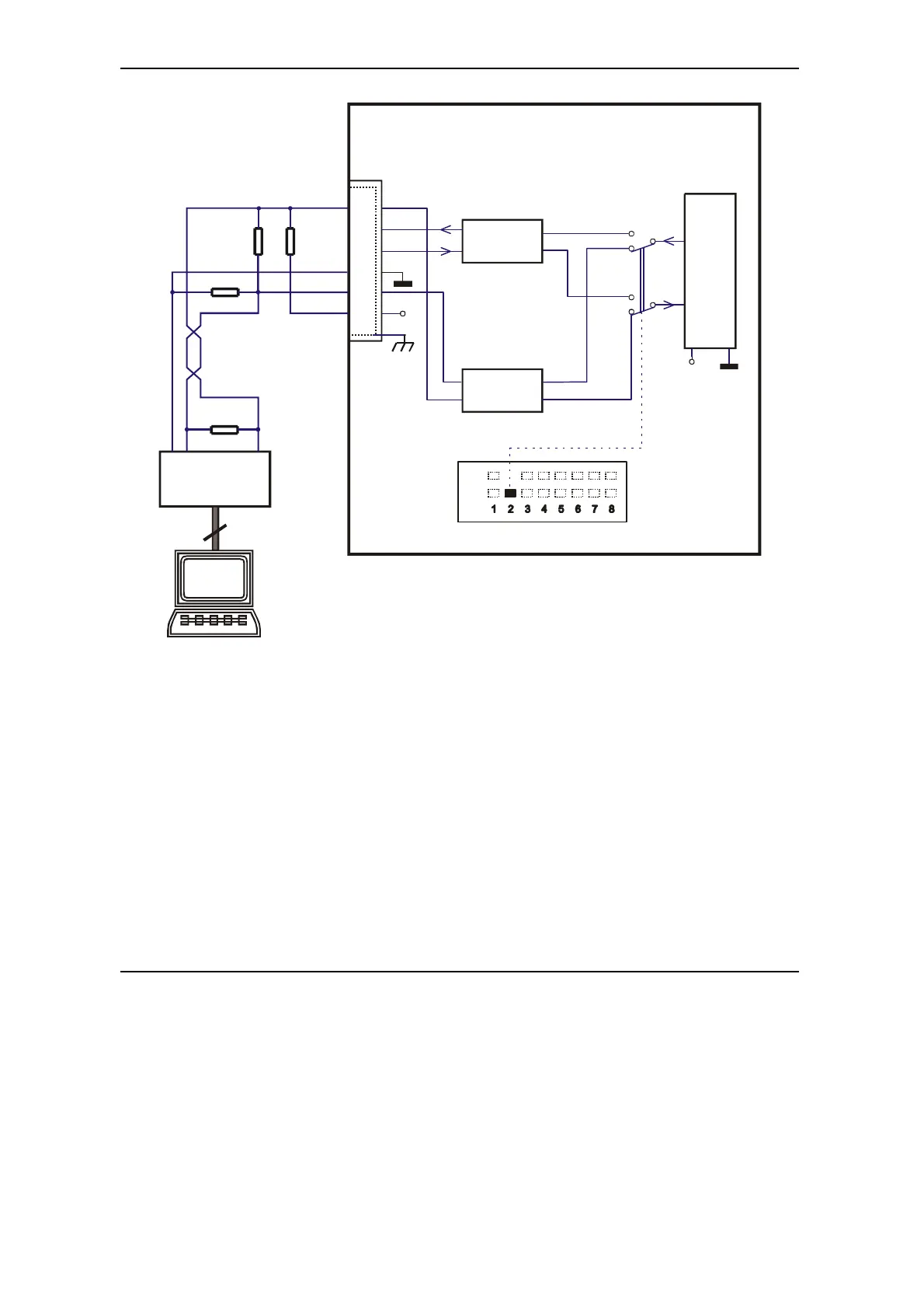
J4
IDMx40-xxIJ4 - RS-232 / RS-485 Connector
RS-232
RS-232/RS-485
Adapter
3
120R
1K2
1K2
+5V
120R
RS-485
DSP Controller
SW1
485 / 232
OFF
ON
Figure 3.28. J4 – Serial RS-485 connection
Remarks:
1. The RS485 serial communication is available only on the CAN executions
2. Use a 9-wire standard 1-to-1 (non-inverting) shielded cable, preferable with metallic or
metallized shells (casings)
3. On IDMx40 drive the electrical ground (GND) and the earth/shield are isolated
IDMx40

Table of Contents