EasyManua.ls Logo

Tecnam P2008 - Electrical System; Generator Light; Voltmeter; Oil Temperature Gauge

Tecnam P2008
90 pages
Print Icon
To Next Page IconTo Next Page
To Next Page IconTo Next Page
To Previous Page IconTo Previous Page
To Previous Page IconTo Previous Page
Loading...
21
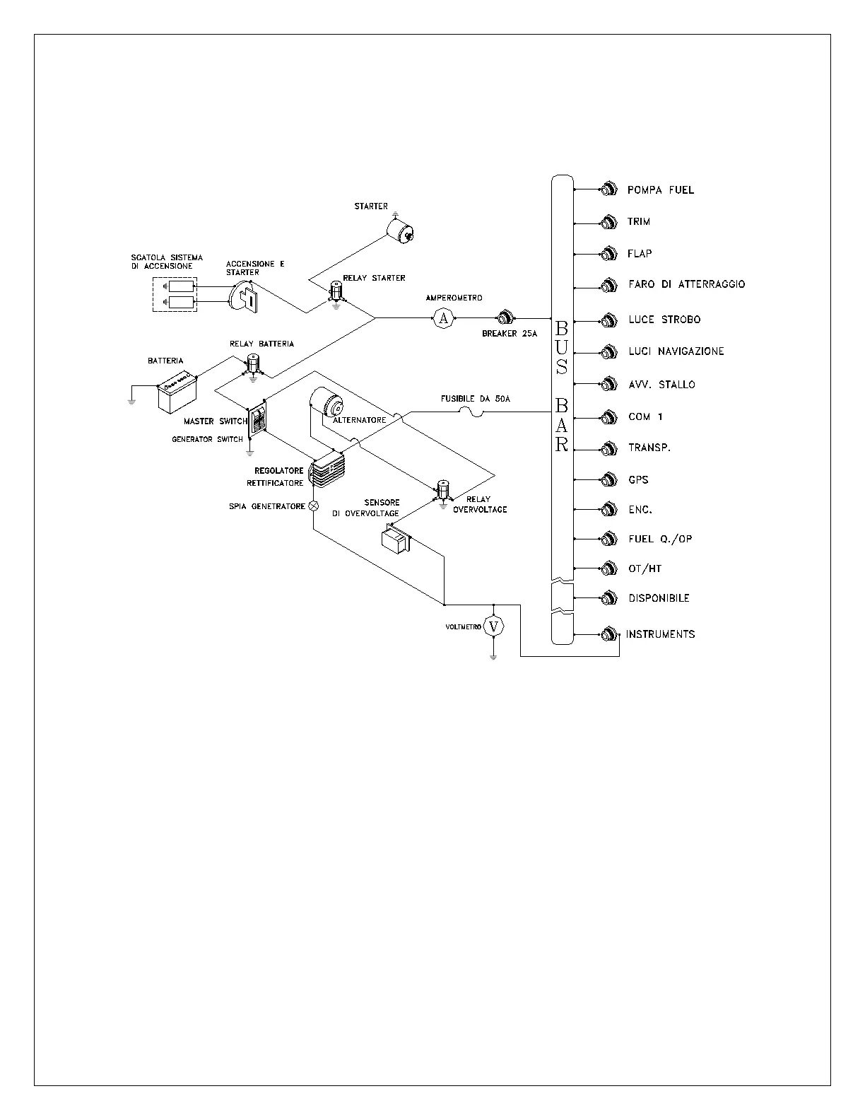
1.9 Electrical System
The aircraft's electrical system consists of a 12 VoltDC circuit controlled by a Master switch located on the instrument
panel. An integrated AC generator provides electricity and a 12 Volt battery placed in the fuselage or in the engine
compartment. The generator light is located on the right side of the instrument panel.
Fig.1-4 Electrical system schematic (some fuses may not be installed on the standard equipped aircraft)
1.9.1 Generator light
Generator light (red) illuminates for the following conditions:
Generator failure
Failure of regulator/rectifier, with consequent over voltage sensor set off
NOTE
The battery can support energy requirements for approximately 20 minutes.
1.9.2 Voltmeter
The voltmeter indicates voltage on the bus bar. The normal range is from 12 to 14 volts. There is a red radial line at 10
volts.
1.9.3 Oil temperature gauge
Temperature reads in degrees Celsius. The oil temperature gauge has a green normal operating range, yellow caution
ranges, and two red lines.

Table of Contents

Related product manuals