EasyManua.ls Logo

TEL AFA4000/E - Page 154

TEL AFA4000/E
210 pages
Print Icon
To Next Page IconTo Next Page
To Next Page IconTo Next Page
To Previous Page IconTo Previous Page
To Previous Page IconTo Previous Page
Loading...
AFA4000/E VAV Airflow Controller / p.154
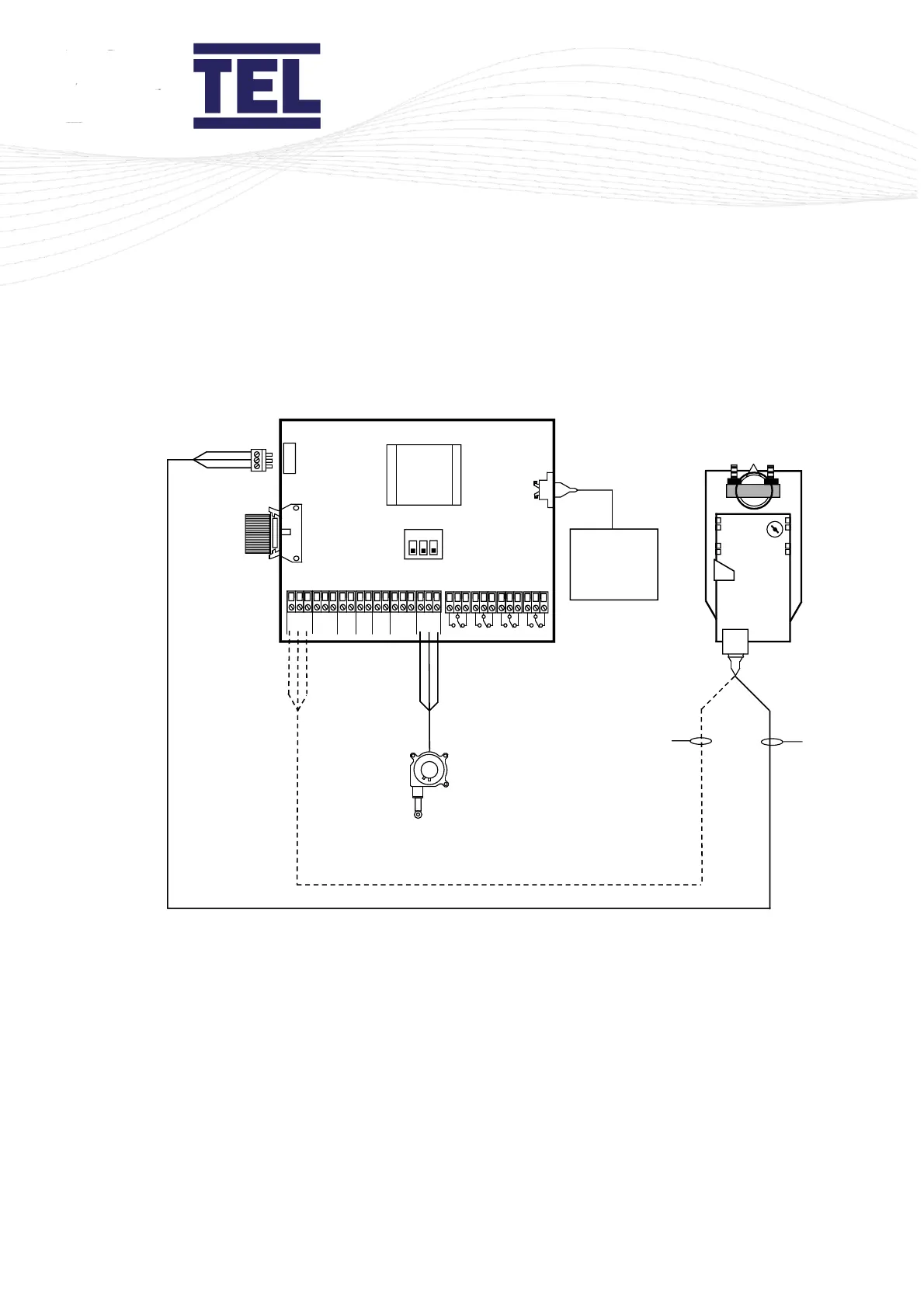
8.5.4 Volume (sash position sensor)
The Volume function is used to provide a volumetric 0-10 Vdc output relative to the fume
cupboard extract volume using a sash position sensor. It can only be used on a bench-type fume
cupboard with a single vertical sash.
Figure 72: Typical connection diagram
The sash position sensor is fitted with a mounting bracket that can be fitted in four different
orientations to enable the sensor draw wire to be correctly aligned.
1. Offer up the sensor to determine the best fixing position on the fume cupboard framework.
For best results, the sensor draw wire should run straight out of the sensor housing, in line
with the cable housing extension. In cases where the wire has run at an angle to the sensor,
make sure the angle is as small as possible so the wire does not rub on any part of the sensor
body including the cable housing extension
2. Mark the fixing holes in the framework and attach the sensor. The fixing bracket has two
0.37 mm (0.015") diameter fixing holes.
Figure 8 Lead for mains
socket.
240V 50Hz -- UK 3-pin
120V 60HZ -- US 2-pin
0 24 10 0 24 10 SW +V SW +V SW +V BN BL BK Y BK R
+V 0V SW W Z S
RELAY INTERFACE UNIT
Volt Free Relays
(10A 240VAC AC1)
R1 R2 R3 R AUX
ECON ECON SASH SASH
O/P 1 O/P 2 I/P 1 I/P 2 I/P 3 HIGH SENSOR
ON 1 2 3
AUXILLIARY RELAY SELECT
SWITCH
RED
BLACK
WHITE
Fume Cupboard
Damper Actuator
3M 3 CORE
FLYING LEAD
ELV
FOR PLUG IN
CONNECTION
TO
AFA1000
RED
BLACK
WHITE
3M 3 CORE
FLYING LEAD
ELV
FOR HARD WIRED
CONNECTION
*WITH JUNCTION BOX
FOR DISTANCES MORE
THAN 3M AWAY FROM
RELAY INTERFACE BOX
ACTUATOR
SOCKET (3 WAY)
SASH
POSITION
SENSOR
YELLOW
BLACK
RED

Table of Contents