EasyManua.ls Logo

TEM Opera Plus Series - Page 55

TEM Opera Plus Series
131 pages
Print Icon
To Next Page IconTo Next Page
To Next Page IconTo Next Page
To Previous Page IconTo Previous Page
To Previous Page IconTo Previous Page
Loading...
TEM A07EXXXX – 1 Unit Transmitters Page 55
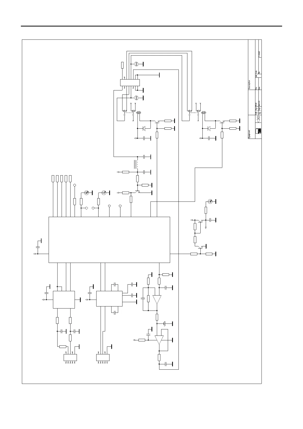
Schematic
ST
AF
33316
04.08.14
13M31660
FM Modulator mother board
G3166-1
IC33
+
1
+
2
+
3
+
4
GND
5
+
6
+
7
VCC
8
R353
TR9
1
2 3
TR3
1
2 3
TR7
1
2 3
R349
TP20
1
R153
R354
R335
TR8
1
2 3
R346
DL4
13
C169
RL5
3
2
4
8
9
7
1
10
D18
1 3
R355
R340
R145
JP23
12
R351
R337
C178
R420
C174
TP10
1
C173
J22
+
1
+
3
+
5
+
7
+
9
+
11
+
13
+
2
+
4
+
6
+
8
+
10
+
12
+
14
+
16
+
15
R341
C163
R336
R334
C179
C162
IC26C
40
40
55
55
39
39
41
41
48
47
23
61
11
81
84
83
82
97
96
53
54
19
20
56
57
R333
R350
R343
C170
C177
C62
C165
R339
R348
JP22
12
R338
D17
1 3
C164
C172
TR4
1
2 3
R332
C168
IC34
+
1
+
3
+
4
+
5
+
2
+
6
+
7
+
10
+
8
+
9
VCC
16
GND
15
C166
R149
J20
+
1
+
3
+
5
+
7
+
9
+
2
+
4
+
6
+
8
+
10
C167
TP9
1
R347
TP19
1
R342
L15
IC35A
3
2
1
84
+
-
R344
TP8
1
DL8
13
J21
+
1
+
3
+
5
+
7
+
9
+
2
+
4
+
6
+
8
+
10
R150
C175
R331
C171
RL6
3
2
4
8
9
7
1
10
C176
DL3
13
R345
IC35B
5
6
7
+
-
R352
+3V3
+3V3
+3V3
+15V
+15V
+15V
+3V3 +5V
+5V
+VRDS
TEMP_EXT
AES_SW
RL3_SW
RL4_SW
MIS_AD1
PILOT_19KHZ
RS485
RS232
AUX I/O
ALR_1
ALR_2
CE_EXT
13M31660 Mother Board - Part Placement Layout

Table of Contents