EasyManua.ls Logo

Thermo King MD-MT - Remote Evaporator Unit Overview; Remote Evaporator Unit Description; Spectrum Evaporator Component Identification

Thermo King MD-MT
192 pages
Print Icon
To Next Page IconTo Next Page
To Next Page IconTo Next Page
To Previous Page IconTo Previous Page
To Previous Page IconTo Previous Page
Loading...
153
Remote Evaporator Unit Description
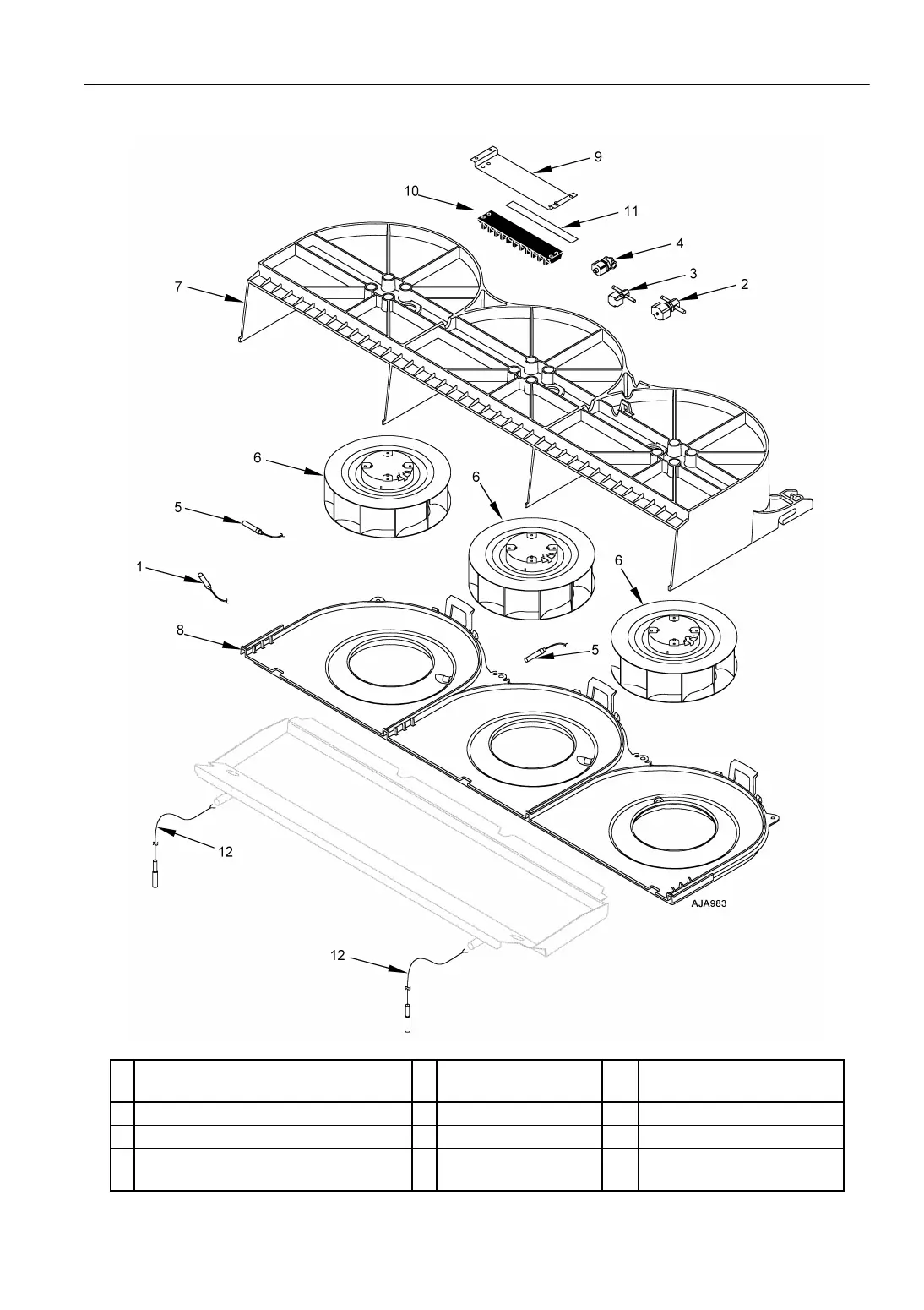
Figure 81: Spectrum Evaporator
1. Coil Temperature Sensor, Ungraded) 5.
Discharge & Return Air
Sensor (Graded)
9. Terminal Board Bracket
2. Hot Gas Solenoid 6. Variable Blower (12 V) 10. Terminal Board
3. Liquid Line Solenoid 7. Blower Housing 11. Terminal Board Markstrip
4. Hot Gas Solenoid 8. Blower Cover 12.
Resistance Wire (3000 mm)
Resistance Wire (4000 mm)

Table of Contents

Related product manuals