EasyManua.ls Logo

Thermo Scientific DensityPRO+ - Page 73

Thermo Scientific DensityPRO+
107 pages
Print Icon
To Next Page IconTo Next Page
To Next Page IconTo Next Page
To Previous Page IconTo Previous Page
To Previous Page IconTo Previous Page
Loading...
Drawings
Thermo Fisher Scientific DensityPRO+ Installation Guide C-19
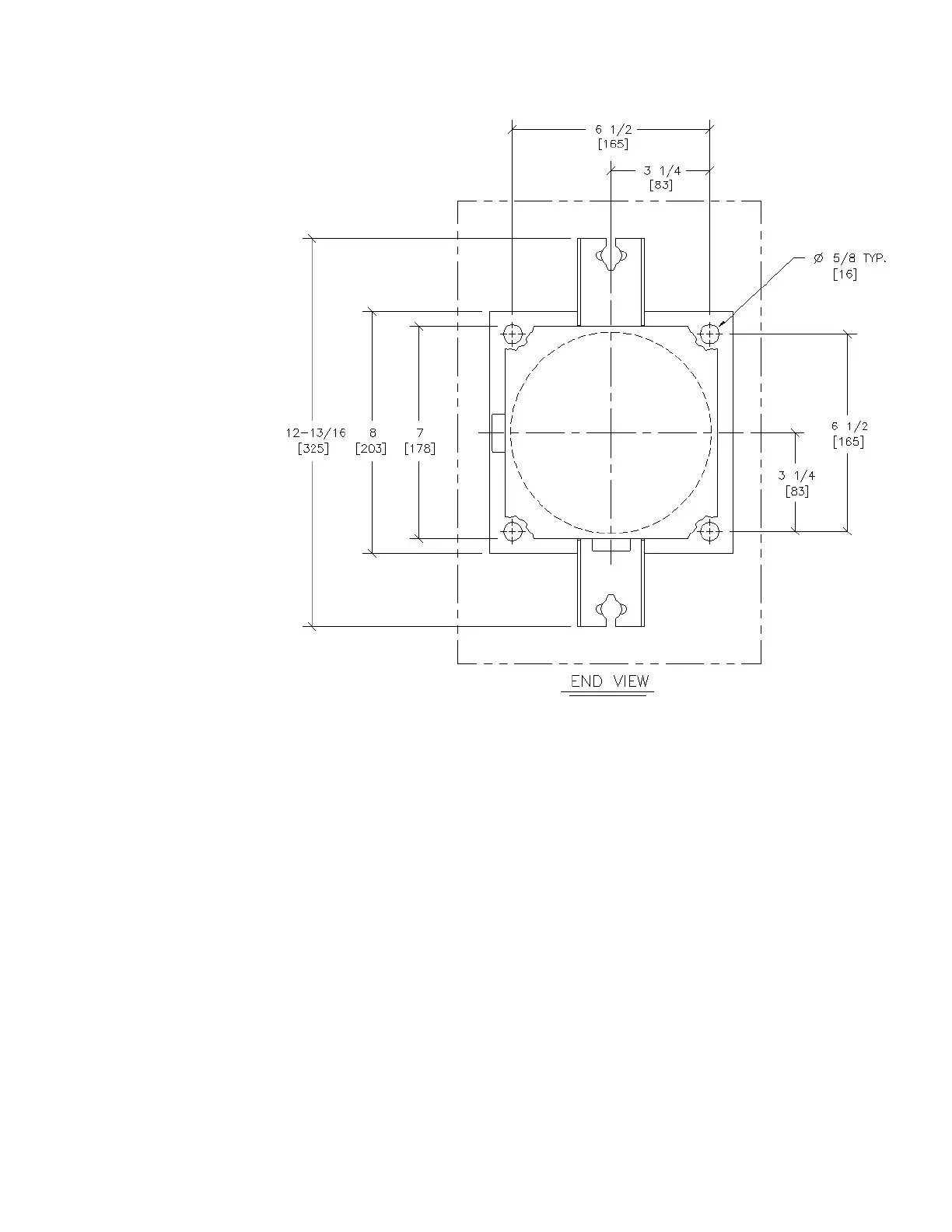
Figure C–16. 867468: Installation drawing, detector assembly, flat mount, NEMA 4
housing (sheet 2 of 2)

Related product manuals