EasyManua.ls Logo

Thytronic DMC3S - Ground Directional Overcurrent - 67 N (Intermittent Faults)

Thytronic DMC3S
110 pages
Print Icon
To Next Page IconTo Next Page
To Next Page IconTo Next Page
To Previous Page IconTo Previous Page
To Previous Page IconTo Previous Page
Loading...
69
DMC3S - Manual - 08 - 2021
Third threshold IED>>> by the start of the fourth threshold IED>>>> with the Deactivation IED>>>
by start IED>>>> parameter (IED>>>disIED>>>>) in the menu Set \ Protections \ Ground
directional overcurrent - 67N \ Threshold IED67N.Sb \ Parameters.
A constant reset time can be set for each threshold (tED>RES, tED>>aRES, tED>>bRES, tED>>>RES,
tED67N.SbRES).
Shrink time
For each of the thresholds programmed with definite time characteristic, you can select contracted
time by setting to ON the parameter EnTcIED>def, EnTcIED>>adef, EnTcIED>>bdef,
EnTcIED>>>def and EnTcIEDSbdef, and regulating the contracted time (tcIED>def ,
tcIED>>adef, tcIED>>bdef, tcIED>>>def and tcIEDSbdef) and operating time (tat-
cIED>def, tatcIED>>adef, tatcIED>>bdef , tatcIED>>>def and tatcIEDSbdef).
Once the breaker closes, during the operating time (e.g.: tatcIPE>def), the value of the trip time
(e.g.: tED>def ) is replaced by the contracted time (e.g.: tcIED>def ); when the operating time
expires the trip time is reset (e.g.: tED>def ).
The parameters are available in the menu Set \ Protections \ Ground directional overcurrent
- 67N \ Threshold IED> (Threshold IED>>a, Threshold IED>>b, Threshold IED>>>,Threshold
67N.Sb) \ Definite time.
Second harmonic restraint
For each threshold, a second harmonic restraint block can be set by setting to ON the param-
eter IED>2ndh-REST, IED>>a2ndh-REST, IED>>b2ndh-REST, IED>>>2ndh-
REST, 67N.Sb2ndh-REST.
The parameters are available in the menu Set \ Protections \ Ground directional overcurrent - 67N
\ Threshold IED> (Threshold IED>>a, Threshold IED>>b, Threshold IED>>>,Threshold 67N.Sb) \ Pa-
rameters.
Functional block (Block3)
If the voltmetric measurement chain fails (function 74VT tripped) or amperometric measurement
chain fails (function 74CT tripped), all thresholds of protection 67N are blocked.
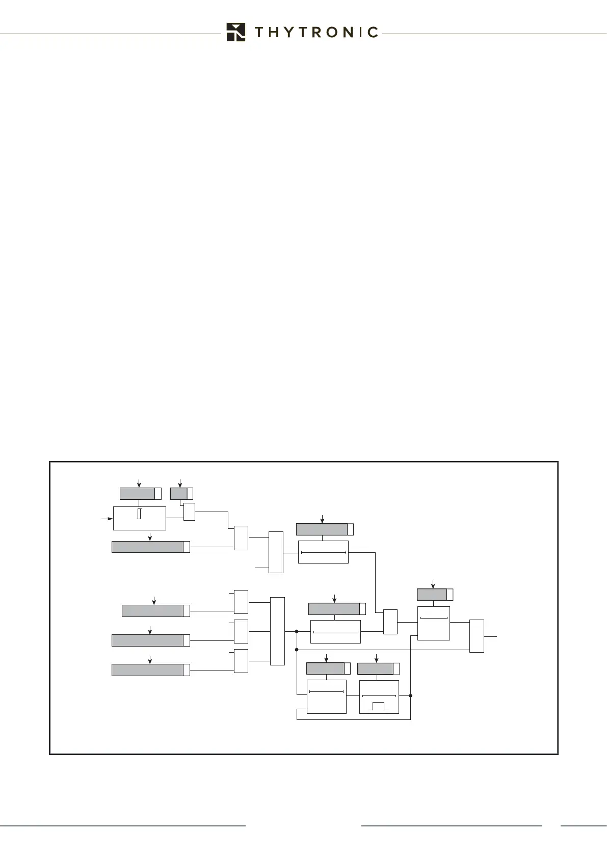
Ground directional overcurrent - 67N (Intermittent faults)
Preface
The maximum directional ground current protection function IED>>>> detects intermittent “Arcing
ground” faults
Detection is done by protection function 67N logically controlling the start statuses, by starting a
specific 59N threshold or by receiving the Goose IEC61850 for the state of start by residual overvolt-
age of the protection DV7500.
The logic of threshold IED>>>> is shown in the following figure:
char-F67N-intermittenti.ai
tED>>>>RRIC59N
IED>>>>-UE>
T
R
0
tED>>>>
T0
tED>>>>RRIC59N
tED>>>>RRIC67N
tED>>>>Inb
tED>>>>
T0
tED>>>>RRIC67N
tED>>>>1s
tED>>>>1s
Start UE>Ext
≥1
≥1
&
(ON Enable)
IED>>>>-IED>Av Enable
Start IED>
&
(ON Enable)
IED>>>>-IED>>a_Av Enable
Start IED>>a
Start IED>>b
&
(ON Enable)
IED>>>>-IED>>b_Av Enable
&
(ON Enable)
In dig.(61850)
TripIED>>>>
IED>>>>-UeExt_Av Enable
&
&
T
R
0
tED>>>>Inb
UE
&
State
UE ≥IED>>>>-UE>
Functional diagram of the threshold of the directional ground protection against intermittent faults (67N)

Table of Contents

Related product manuals