EasyManua.ls Logo

Timberwolf TW 230VTR - Circuit Diagram

Timberwolf TW 230VTR
68 pages
Print Icon
To Next Page IconTo Next Page
To Next Page IconTo Next Page
To Previous Page IconTo Previous Page
To Previous Page IconTo Previous Page
Loading...
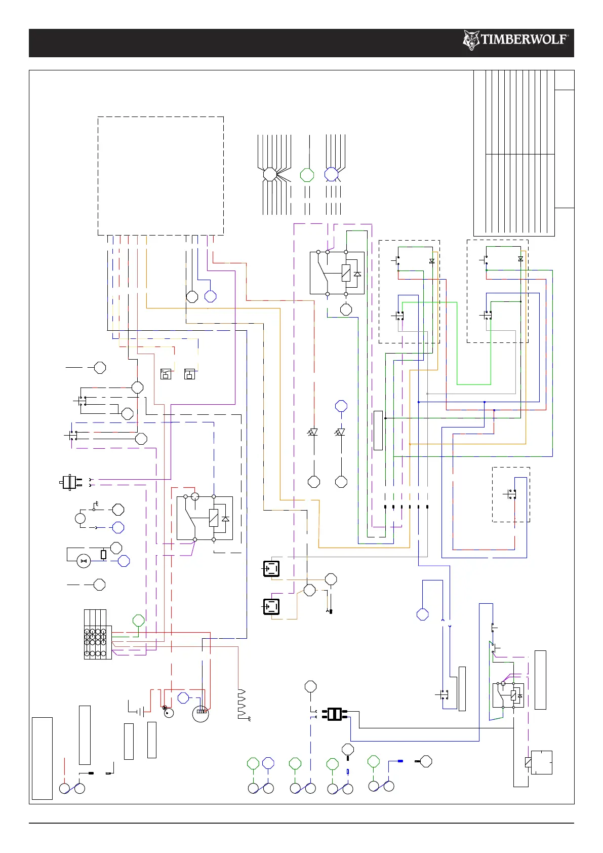
TW 230VTR
32 / 65
CIRCUIT DIAGRAM
C190-0113 01.07.2019 Rev: 4.0
DOCUMENT No. ISSUE
CIRCUIT DIAGRAM FOR: 230VTR (H-BOX)
2
230VTR-CD
1950 30
KEY SWITCH
ACC
OFF
AC
RUN
START
SPLIT TO FUNNEL LOOM
HOUR
FUEL
FUEL
SOLENOID
ROTOR
SWITCH
EMERGENCY
SWITCH
1-AC 3mm
41 1mm12 .5mm
p
t
1mm40
15 1mm
1.5mm
16
WATER TEMP
SWITCH
OIL PRESS
SWITCH
LED
HEATERS
ON LED
LED
LED
POWER ON
FUSE 1
IGP
FUSE 2
AUX
1mm
2mm
15
5
14
BLUE
SP#4
0.5
12 V AUX
CONN.
SOLENOID
FWD
REVERSE
SOLENOID
ENGINE
GROUND
POINT
.5mm14
.5mm
8
1mm40
1mm
3mm
27
48
18 2mm
1mm20
B
LINK LEAD
85
30
86
87
87a
START
RELAY
LATCH RELAY
FWD SOL
GROUND
SECURITY
ENGINE
40 1mm
39 1mm
40 1mm
8 0.5
50E 1mm
40
40 1mm
1mm
R
1mm33
7 1mm 28 1mm
PUMP
METER
2
1
2
3
1 2
3
1
85
30
87a
86
87
B BLACK
BL BLUE
BR BROWN
R RED
G GREEN
Y YELLOW
P PURPLE
W WHITE
B/G BLACK WITH GREEN TRACER
BL/R BLUE WITH RED TRACER
BL/G BLUE WITH GREEN TRACER
KEY TO WIRING
O ORANGE
B/R BLACK WITH RED TRACER
GREEN
SP#2
BLACK
SP#1
BL
G
BL/W BLUE WITH WHITE TRACER
BL/W
B
P/W PURPLE WITH WHITE TRACER
BR
P/W
B/BR
B/BR
B/BR BLACK WITH BROWN TRACER
W
O
B
B
BL
P/W
B/G
BL
BL/G
P/W
BL/G
B
P/W
P/W
BR
BR
G
R
R
BL/B BLUE WITH BLACK TRACER
W/R WHITE WITH RED TRACER
W/R
B
BL
B
B/W
P
BR/R
O
Y/B YELLOW WITH BLUETRACER
Y/BL
Y/R
BR
B
B
W/R
B
B/R
B/R
BL/W
P/W
P/W
P/W
BL/B
O/W ORANGE WITH WHITE TRACER
O/Y ORANGE WITH YELLOW TRACER
B/R
35 1mm
SP
2
SP
2
SP
2
SP
1
SP
1
SP
1
SP
1
SP
6
SP
1
SP
1
SP
1
SP
1
SP
1
SP
1
SP
5
SP
4
SP
4
SP
4
GLOW
PLUGS
PULL HOLD
2
1
ALTERNATOR
ROTOR
O/P
STARTER
BATTERY
STARTER
SOL TERM
ENG GND POINT
BATT 25mm
BATT 25mm
R
R
BL
R
MAIN TERM
STARTER
MOTOR
SP
4
CD
N.O./N.C.
AB
BR
G
N.O./N.C.
13 14
21 22
B/W
Y/BL
Y/R
B
MAIN LOOM P0002133
PART No. 1376
PART No. 1375
PART No. P0002134
B/W
M
BL
SP
4
SP
1
B
B
1
2
3
TACHO SIG / ALT
B
BL
BR/B
BR/R
Y/R
Y/BL
B/R
BR
O
SP
1
SP
4
GLOW PLUG LAMP
OUT 3
BAT
OUT 5
OUT 1
OUT 2
15
16
17
18
14
13
12
FUEL HOLD SOLENOID
BAT 12 V IGP
SOL GND SPEED CONTROLLED
EMERGENCY/ROTOR SWITCH
RESET REVERT TO RESET MODE
STT
RST
AX1
AX2
GND
EPC
8
9
10
11
7
5
6
GND 0v
GLOW PLUG I/P
IN-
EPA
IN+
EPB
1
3
2
4
SPEED SIG -
SPEED SIG +
OIL PRESSURE SW
WATER TEMP SW
CONTROLLER
H-BOX PCU
FROM SAFETY SWITCH
U/B
AX2
AX1
OUT 4
AUTO REVERSE PULSE OUTPUT
P
F
D
E
C
B
A
SPLIT TO FUNNEL LOOM
FUNNEL ROLLER CONTROL
FUNNEL ROLLER CONTROL
W
U
O
P/W
U/G
SAFETY SW
N.O./N.C.
U
G/B
U/R
U/R
REV FWD
N.O./N.C.
13
14
21 22
N.O.
13
14
CD
A
B
REV
FWD
N.O./N.C.
13 14
21 22
N.O.
13
14
RED BAR
85
30
86
87
87a
THREE PORT VALVE
FOR TWO SPEED
2 N/O M
1 N/C P
3 N/O T
P/W
P/W
BL/G
BL
B/G
P0002048 SOLENOID VALVE
HARNESS
FUNNEL SAFETY SWITCH
PART No. P0002135
SPLIT TO FUNNEL
SAFETY SWITCH
SPLIT TO FUNNEL
SAFETY SWITCH
N.O./N.C.
SP
4
FUSE 3
BL
SP
2
G
FUSE 4
BL
SP
2
G
SP
1
SP
1
SP
1
SPARE
12 V AUX
CONN.
FUSE 5
B
R
BATTERY -
BATTERY +
P0002049 CONTROL TOWER
12 V AUX. HARNESS

Table of Contents

Related product manuals