EasyManua.ls Logo

Timberwolf TW 230VTR - Hydraulic Layout

Timberwolf TW 230VTR
68 pages
Print Icon
To Next Page IconTo Next Page
To Next Page IconTo Next Page
To Previous Page IconTo Previous Page
To Previous Page IconTo Previous Page
Loading...
TW 230VTR
33 / 65
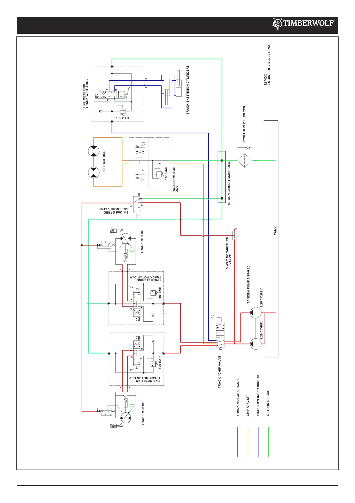
HYDRAULIC LAYOUT
C190-0113 01.07.2019 Rev: 4.0

Table of Contents

Related product manuals