EasyManua.ls Logo

TMQ AP9 - Drive Connection Diagrams

TMQ AP9
51 pages
Print Icon
To Next Page IconTo Next Page
To Next Page IconTo Next Page
To Previous Page IconTo Previous Page
To Previous Page IconTo Previous Page
Loading...
TMQ AP9 Autopilot (V6.0 - 965) Page 35 of 51 31/1/2017
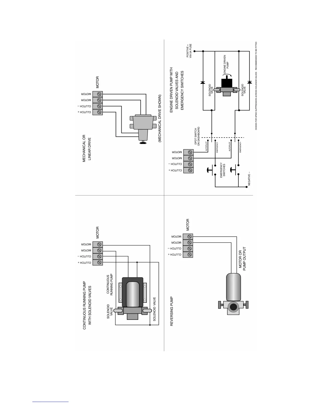
Examples - Drive Connection Diagrams

Table of Contents

Related product manuals