EasyManua.ls Logo

Toa FV-200RF-AS - 7.10. Connecting the Speaker and Attenuator

Toa FV-200RF-AS
68 pages
Print Icon
To Next Page IconTo Next Page
To Next Page IconTo Next Page
To Previous Page IconTo Previous Page
To Previous Page IconTo Previous Page
Loading...
40
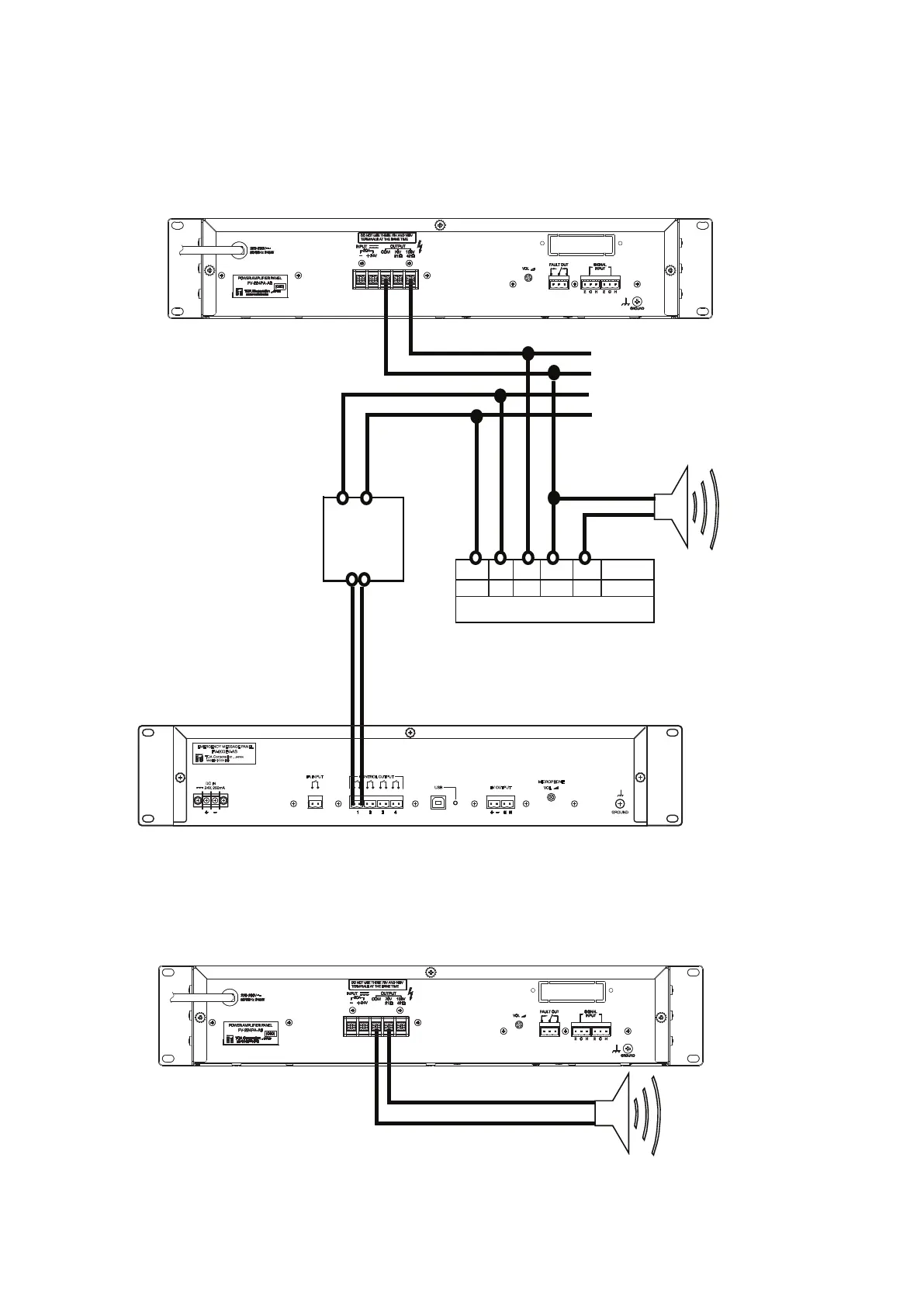
7.10. Connecting the Speaker and Attenuator
When an emergency broadcast is made, then 24 V DC power will be supplied to the attenuators from
FV-200EV-AS to allow these broadcasts to be made at maximum volume by overriding the attenuators.
FV-224PA-AS
(100V)
(COM)
DC24V
+
DC Power
Unit
Relay Circuit
In 4-wire system attenuator the volume
automatically set to maximum when
24 V DC power is supplied.
24V, 250mA
FA INPUT CONTROL OUTPUT
USB EV OUTPUT
MICROPHONE
GROUND
VOL
DC IN
FV-200EV-AS
EMERGENCY MESSAGE PANEL
TOA Corporation ,
JAPAN
MADE IN INDONESIA
FV-224PA-AS
(70V)
(COM)
FV-200EV-AS
If use 70V line, the connection is follow. Do not use 70V and 100V line at the same time.
-
+ -
Hot In COM SP
NC
NC
N R
2,4 wire
3 wire
SP

Table of Contents

Related product manuals