EasyManua.ls Logo

Topens DKC2000S - Control Board Connections

Topens DKC2000S
26 pages
Print Icon
To Next Page IconTo Next Page
To Next Page IconTo Next Page
To Previous Page IconTo Previous Page
To Previous Page IconTo Previous Page
Loading...
13
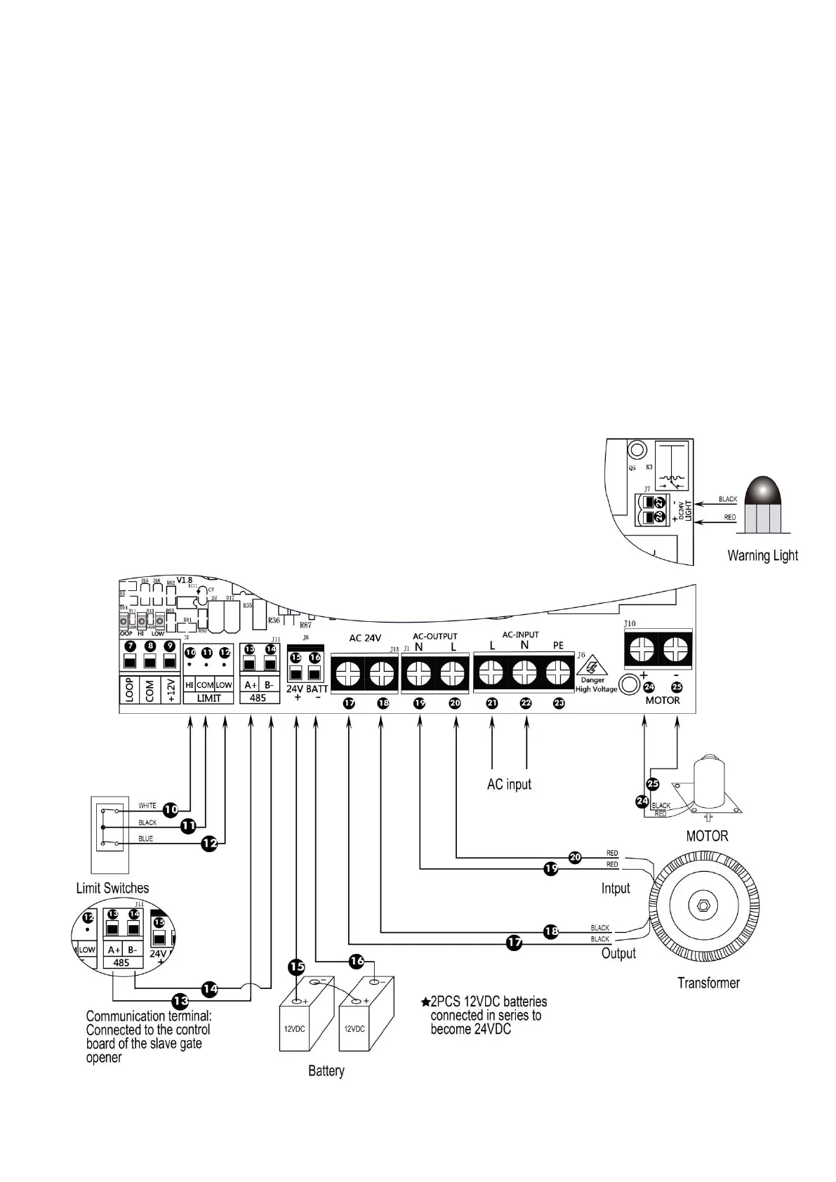
Connecting of the Control Board
For SINGLE GATE OPENER, the connection of the control board can be simply referred to the following
illustration.
For DUAL GATE OPENER, you should configure the master gate opener and the slave gate opener firstly
by setting the #2 dip switch of SW2 to ON. All the accessories are recommended to be connected to the
control board of the master gate opener because the system is controlled by the master gate opener.
For the slave gate opener, you can only connect the AC power wire and the communication wire to
the master gate opener.
Following illustrations is the connection of the control board:

Related product manuals