EasyManua.ls Logo

Toro 30484 - Frame Set up

Toro 30484
60 pages
Print Icon
To Next Page IconTo Next Page
To Next Page IconTo Next Page
To Previous Page IconTo Previous Page
To Previous Page IconTo Previous Page
Loading...
FrameSetUp
CheckingtheCarrierFrameandEngine
DeckAlignment
Note:MisalignmentcancauseexcesswearonthePTO
drivebelt.
1.DisengagethePTOandsettheparkingbrake.
2.Stoptheengine,removethekey,andwaitforall
movingpartstostopbeforeleavingtheoperating
position.
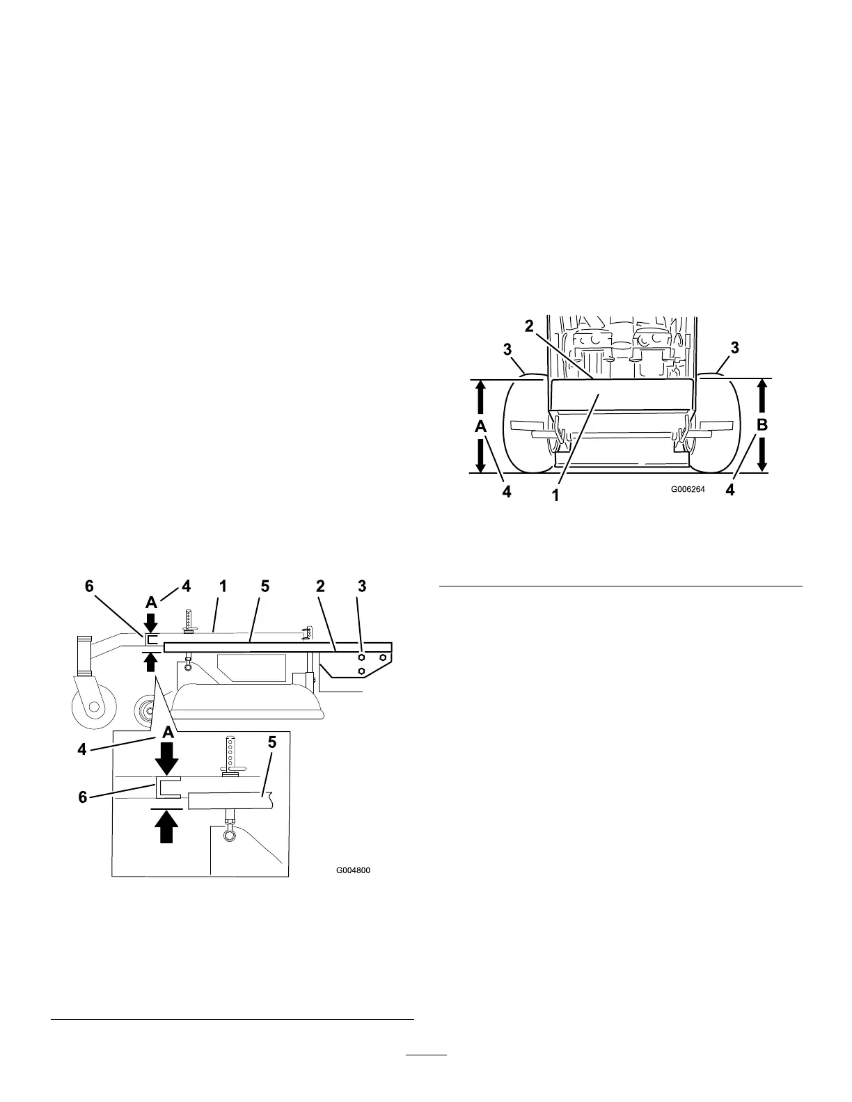
3.Placealongstraightedgeontopoftheenginedeck
asshowninFigure69.
4.Atthecarrierframecrosschannel,measurethe
heightatlocationA(Figure69).Thismeasurement
mustbe1-5/16inch(33mm),plusorminusa1/4
inch(6mm).
5.IftheheightatlocationAisnotcorrect,adjustment
isneeded.
6.Loosenthecarrierframemountingboltsonboth
sidesofthemachine(Figure69).
7.Alignthecarrierframeandenginedecktomatch
1-5/16inch(33mm),plusorminusa1/4inch(6
mm)atlocationA(Figure69).
8.Tightenthecarrierframemountingboltsonboth
sidesofthemachine.
Figure69
1.CarrierFrame4.LocationA,1-5/16inch
(33mm)±1/4inch(6mm)
2.Topofenginedeck5.Straightedge
3.Carrierframemounting
bolts
6.Carrierframecross
channel
CheckingtheEngineDeckHeight
1.DisengagethePTOandsettheparkingbrake.
2.Stoptheengine,removethekey,andwaitforall
movingpartstostopbeforeleavingtheoperating
position.
3.Adjustthetirepressureinthe
reartirestospecications;referto
DriveSystemMaintenance(page33).
4.MeasureenginedeckheightatlocationA(Figure70).
5.MeasureenginedeckheightatlocationB(Figure70).
6.IftheheightatlocationAandBarenotthesame,
changetirepressureslightlytomakethemthesame.
Figure70
1.Backviewofmachine
3.Tires
2.Topofenginedeck4.Sameheightatlocations
AandB
CheckingtheCarrierFrame
Front-to-RearPitch
Thecarrierframemusthaveapitchbetween1/8inch
(3mm)to3/8inch(9mm)overthelengthof24inches
(61cm)onthecarrierframe(Figure71).
1.Measureout24inches(61cm)onthecarrierframe
(Figure71).
48

Table of Contents

Related product manuals