EasyManua.ls Logo

Toro 30484 - Page 57

Toro 30484
60 pages
Print Icon
To Next Page IconTo Next Page
To Next Page IconTo Next Page
To Previous Page IconTo Previous Page
To Previous Page IconTo Previous Page
Loading...
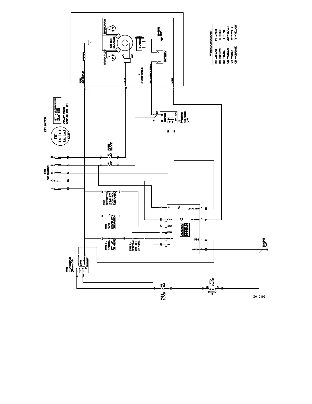
ElectricalSchematic(Rev.A)
57

Table of Contents

Related product manuals