EasyManua.ls Logo

Toro 74264TE - Controls System Maintenance; Adjusting the Control Handle Neutral Position

Toro 74264TE
64 pages
Print Icon
To Next Page IconTo Next Page
To Next Page IconTo Next Page
To Previous Page IconTo Previous Page
To Previous Page IconTo Previous Page
Loading...
ControlsSystem
Maintenance
AdjustingtheControlHandle
NeutralPosition
Ifmotioncontrolleversdonotalign,ormoveeasilyinto
theconsolenotch,adjustmentisrequired.Adjusteach
lever,springandrodseparately.
Note:Motioncontrolleversmustbeinstalledcorrectly.
SeeInstallingtheMotionControlLeversinthesetup
instructions.
1.DisengagethePTO,movethemotioncontrollevers
totheneutrallockedpositionandsettheparking
brake.
2.Stoptheengine,removethekey,andwaitforall
movingpartstostopbeforeleavingtheoperating
position.
3.Unlatchtheseatandtilttheseatforward.
4.Beginwitheithertheleftorrightmotioncontrol
lever.
5.Movethelevertotheneutralpositionbutnotlocked
(Figure66).
6.Pulltheleverbackuntiltheclevispin(onarm
belowpivotshaft)contactstheendoftheslot(just
beginningtoputpressureonthespring)(Figure66).
7.Checkwherethecontrolleverisrelativetonotchin
console(Figure66).Itshouldbecenteredallowing
levertopivotoutwardtotheneutrallockposition.
Figure66
1.Neutrallockedposition3.Neutralpotion
2.Controllever
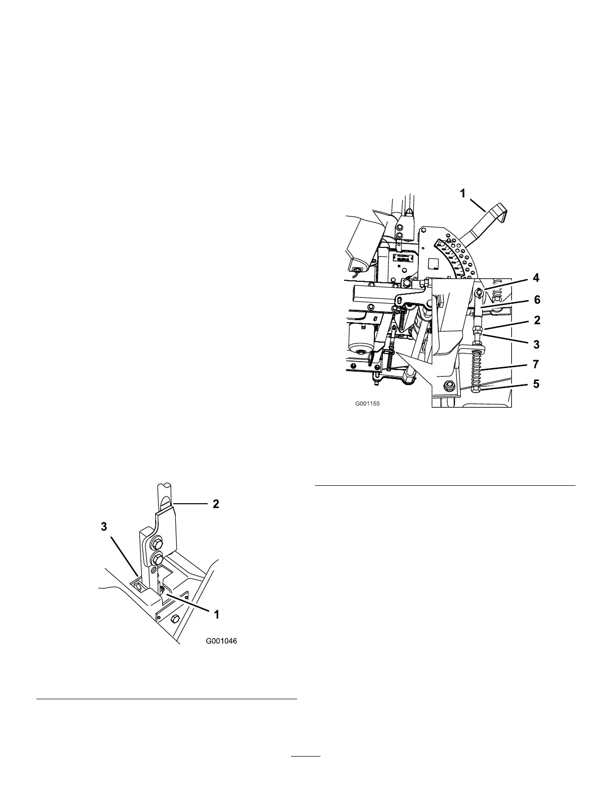
8.Ifadjustmentisneeded,loosenthenutandjamnut
againsttheyoke(Figure67).
9.Applyslightrearwardpressureonthemotion
controllever,turntheheadoftheadjustmentbolt
intheappropriatedirectionuntilthecontrolleveris
centeredintheneutrallockposition(Figure67).
Note:Keepingrearwardpressureontheleverwill
keepthepinattheendoftheslotandallowthe
adjustmentbolttomovethelevertotheappropriate
position.
10.Tightenthenutandjamnut(Figure67).
11.Repeatfortheoppositesideofthemachine.
Figure67
1.Height-of-cutlever
5.Adjustmentbolt
2.Nutagainstyoke6.Yoke
3.JamNut
7.Spring
4.Clevispininslot
48

Table of Contents

Related product manuals