EasyManua.ls Logo

Toro Pro Force 44552TE - Electrical Schematic (Models 44552, 44552 TE, and 44553)

Toro Pro Force 44552TE
134 pages
Print Icon
To Next Page IconTo Next Page
To Next Page IconTo Next Page
To Previous Page IconTo Previous Page
To Previous Page IconTo Previous Page
Loading...
ProForceBlower(Models44552and44553),Drawing122-1506RevA,Sheet1of1
18237SLRevA
PageA–3
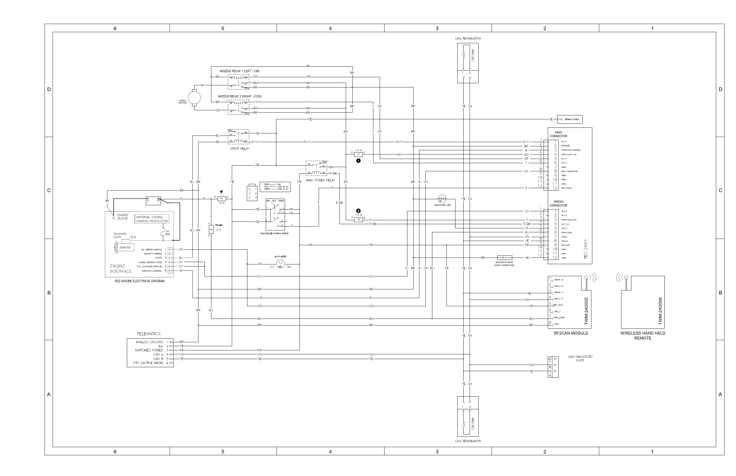
ElectricalSchematic(Models44552,44552TE,and44553)
g279528

Table of Contents

Related product manuals