EasyManua.ls Logo

Toro Pro Force 44552TE - Wire Harness Diagram-Main

Toro Pro Force 44552TE
134 pages
Print Icon
To Next Page IconTo Next Page
To Next Page IconTo Next Page
To Previous Page IconTo Previous Page
To Previous Page IconTo Previous Page
Loading...
ProForceBlower,Drawing122-1505RevA,Sheet1of1
18237SLRevA
PageA–7
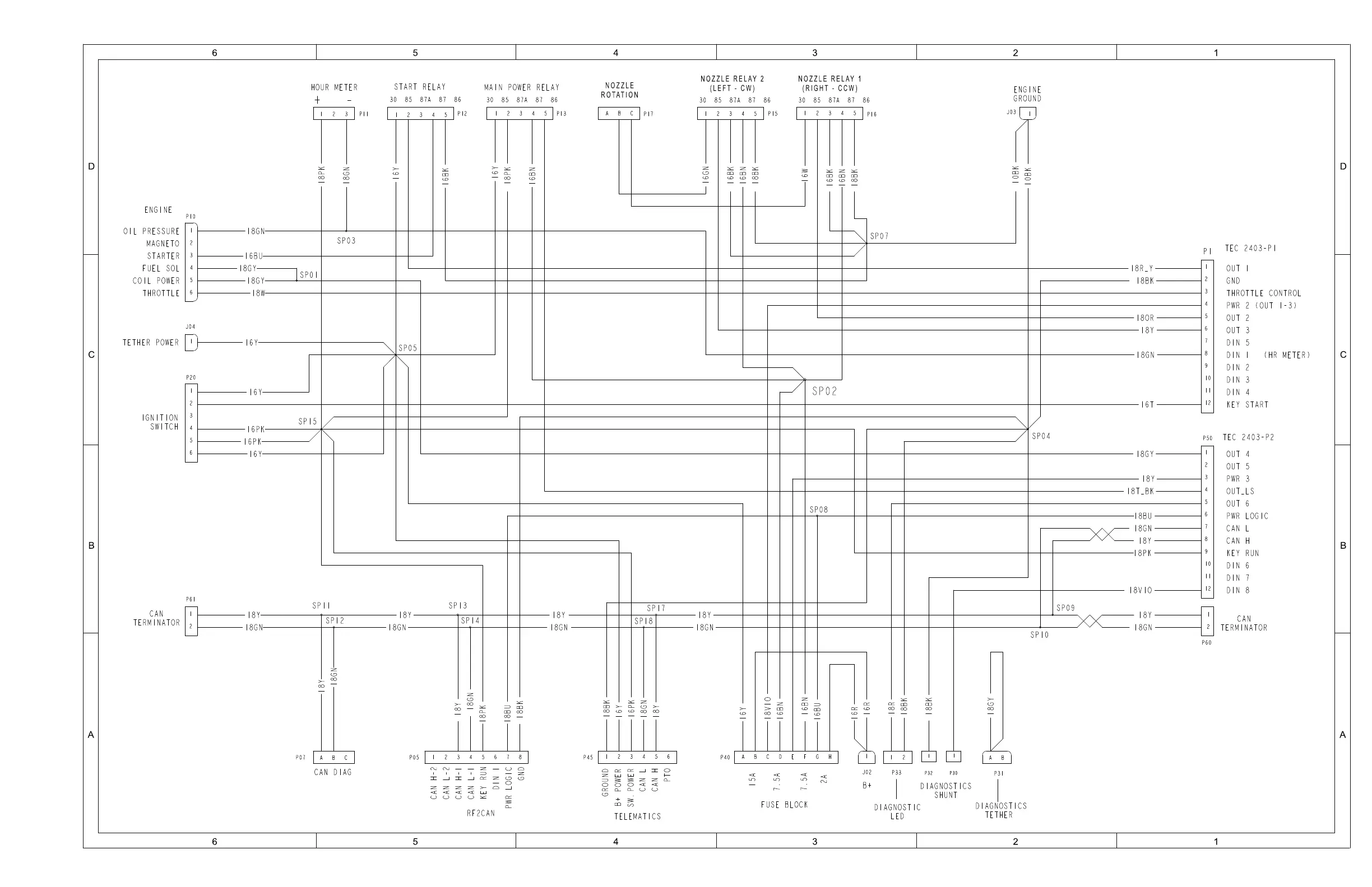
WireHarnessDiagram-Main
g279709

Table of Contents

Related product manuals