EasyManua.ls Logo

Toro TX 1300 - Product Overview; Component Identification

Toro TX 1300
72 pages
Print Icon
To Next Page IconTo Next Page
To Next Page IconTo Next Page
To Previous Page IconTo Previous Page
To Previous Page IconTo Previous Page
Loading...
ProductOverview
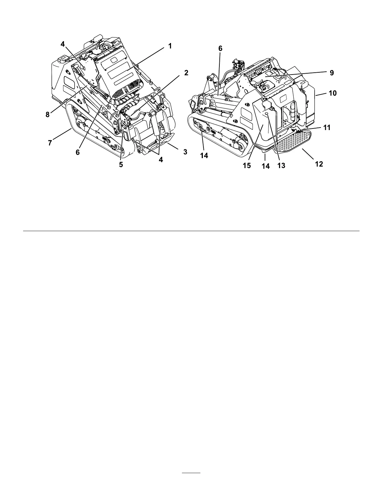
g318043
Figure3
1.Hood5.Lowerloaderarm
9.Controlpanel
13.Fuelgauge
2.Auxiliaryhydrauliccouplers6.Upperloaderarm10.Hydraulictank14.Tie-downpoint
3.Mountplate7.Track11.Auxiliaryhydraulicslock
switch
15.Fueltank
4.Liftpoint8.Cylinderlock12.Operatorplatform
11

Table of Contents

Related product manuals