EasyManua.ls Logo

Trane IntelliPak 2 - Page 45

Trane IntelliPak 2
192 pages
To Next Page IconTo Next Page
To Next Page IconTo Next Page
To Previous Page IconTo Previous Page
To Previous Page IconTo Previous Page
Loading...
RT-SVX073A-EN
45
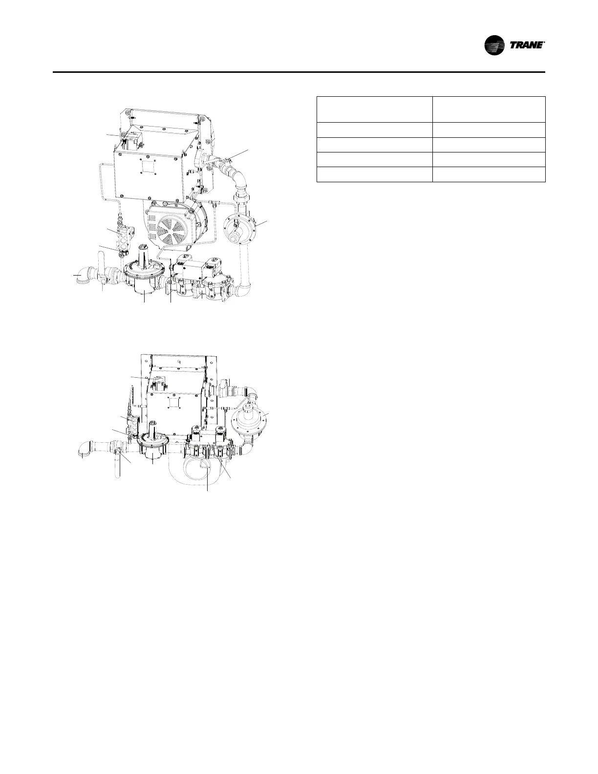
Figure 27. Two-stage and modulating natural gas
train for 850, 1100 MBH heaters
Manual
shut-off
valve
Ingnition
transformer
Ratio
regulator
Pilot solenoid
valve
Pilot pressure
regulator
to Combustion
air sensor
1-1/4” Field
connection
elbow
Manual
shut-off
valve
Main gas
regulator
Main gas
solenoid
valves
Figure 28. Two-stage and modulating for 1800, 2500
MBH heaters (1800 MBH shown)
Ingnition
transformer
Manual
shut-off
valve
Ratio
regulator
Pilot solenoid
valve
Pilot pressure
regulator
Main gas
solenoid
valves
Manual
shut-off
valve
Main gas
regulator
1-1/4” Field connection elbow (1800 MBH)
2” Field connection elbow (2500 MBH)
to Combustion
air sensor
Table 16. Gas heat inlet sizes
Standard Gas Heat Input
(MBh) Gas Heat Inlet Sizes (in.)
850 1 1/4
1100 1 1/4
1800 1 1/2
2500 2
Installation

Table of Contents

Related product manuals