EasyManua.ls Logo

TYM ET350 ECONO - Page 74

TYM ET350 ECONO
175 pages
Print Icon
To Next Page IconTo Next Page
To Next Page IconTo Next Page
To Previous Page IconTo Previous Page
To Previous Page IconTo Previous Page
Loading...
67
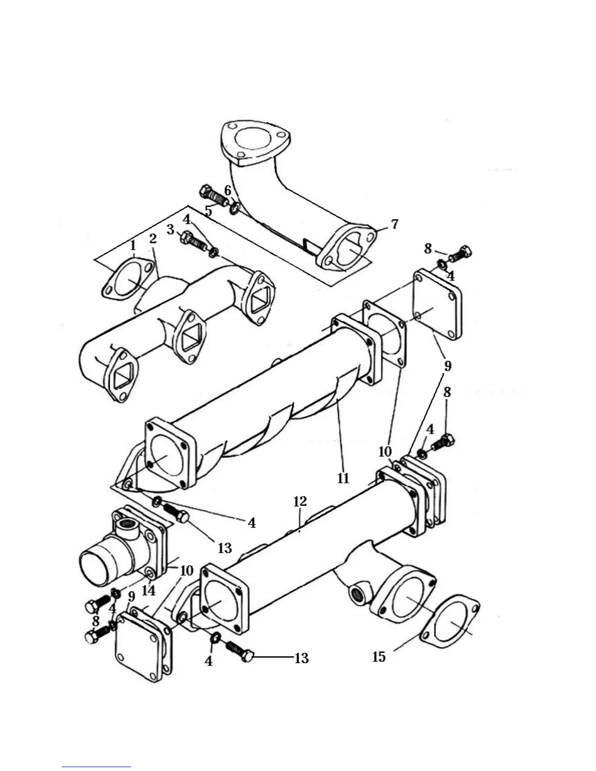
1. INTAKE AND EXHAUST PIPE ASSEMBLY

Table of Contents

Related product manuals