EasyManua.ls Logo

TYM ET350 ECONO - Page 90

TYM ET350 ECONO
175 pages
Print Icon
To Next Page IconTo Next Page
To Next Page IconTo Next Page
To Previous Page IconTo Previous Page
To Previous Page IconTo Previous Page
Loading...
83
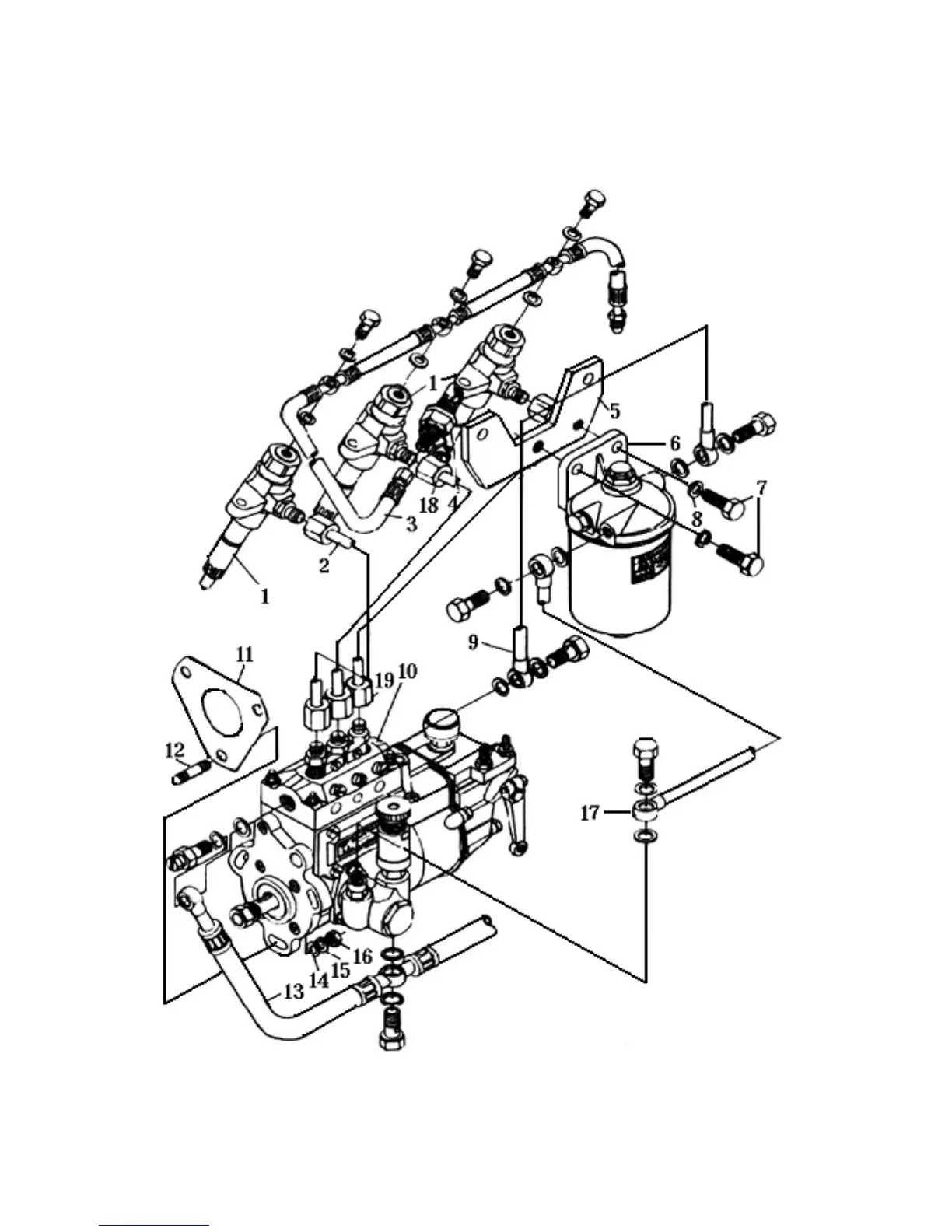
7. FUEL SYSTEM ASSEMBLY

Table of Contents

Related product manuals