EasyManua.ls Logo

Unipulse F370 - Page 102

Unipulse F370
131 pages
Print Icon
To Next Page IconTo Next Page
To Next Page IconTo Next Page
To Previous Page IconTo Previous Page
To Previous Page IconTo Previous Page
Loading...
12.RS-485 COMMUNICATION INTERFACE(OPTION)
91
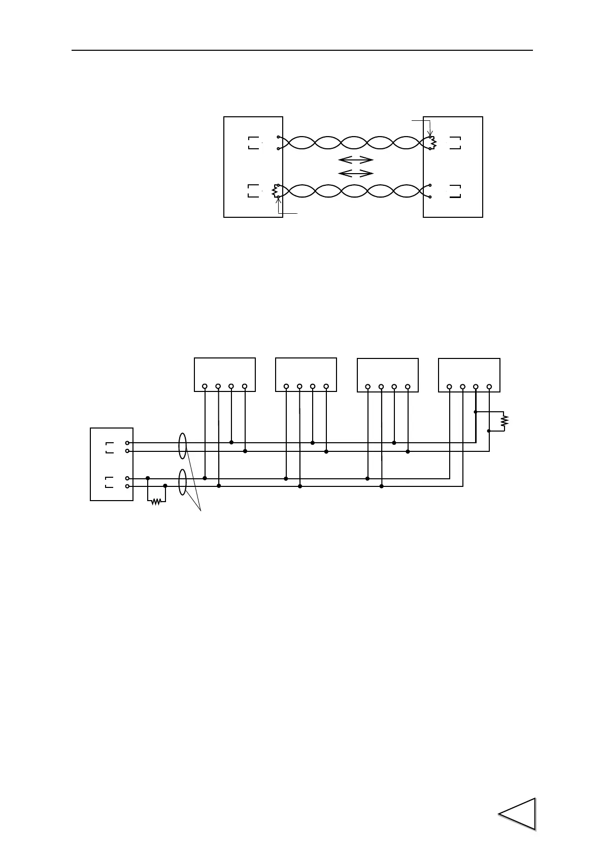
- One-to-One Connection
- One-to-more Connection
Use a twisted pair cable for connection. (The noise margin will increase.) However, a
twin cable is sufficient for short-distance connection. Couple a terminal resistor of 100 -
200Ω to the receiving end.
(The terminus resistance by the side of F370 can be switched by setup.120 ohms is
conncted when terminus resistance is set as ON.)
A
B
SD
A
B
RD
A
B
RD
A
B
SD
A
B
A
B
F370
PLC
Host Computer etc.
end reg
end reg
Master)(Slave
A
B
RD
A
B
SD
ABAB
SD RD
ABAB
SD RD
ABAB
SD RD
ABAB
SD RD
end
Twisted pair cable
F370 F370 F370 F370
end

Table of Contents