EasyManua.ls Logo

Upright AB38 - Page 21

Upright AB38
24 pages
Print Icon
To Next Page IconTo Next Page
To Next Page IconTo Next Page
To Previous Page IconTo Previous Page
To Previous Page IconTo Previous Page
Loading...
Page
5
Illustrated Parts Breakdown - Engine & Alternator Assembly
AB38 Bi-Energy PARTS MANUAL
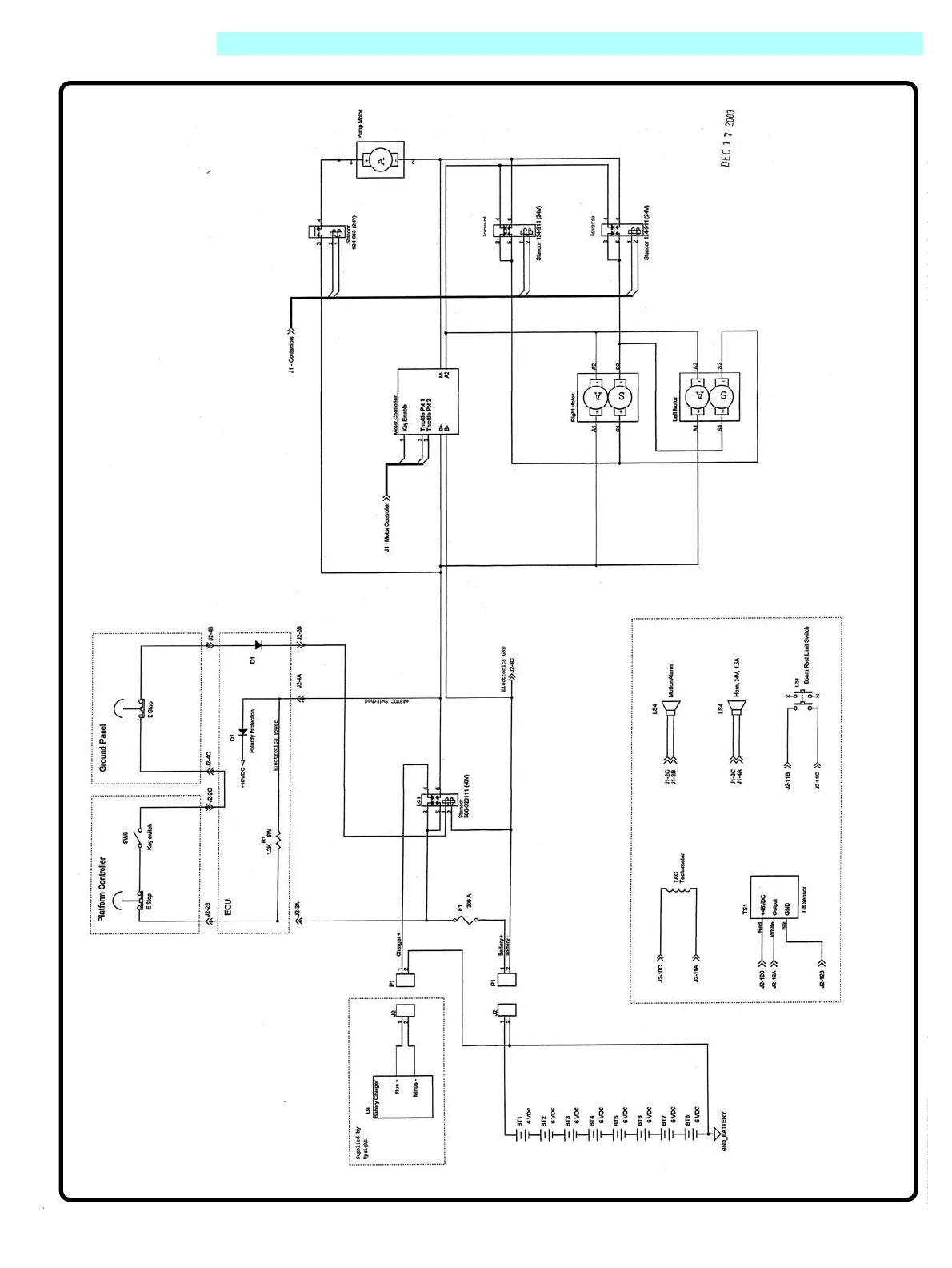
AB38 Electrical Schematic

Other manuals for Upright AB38

Related product manuals