EasyManua.ls Logo

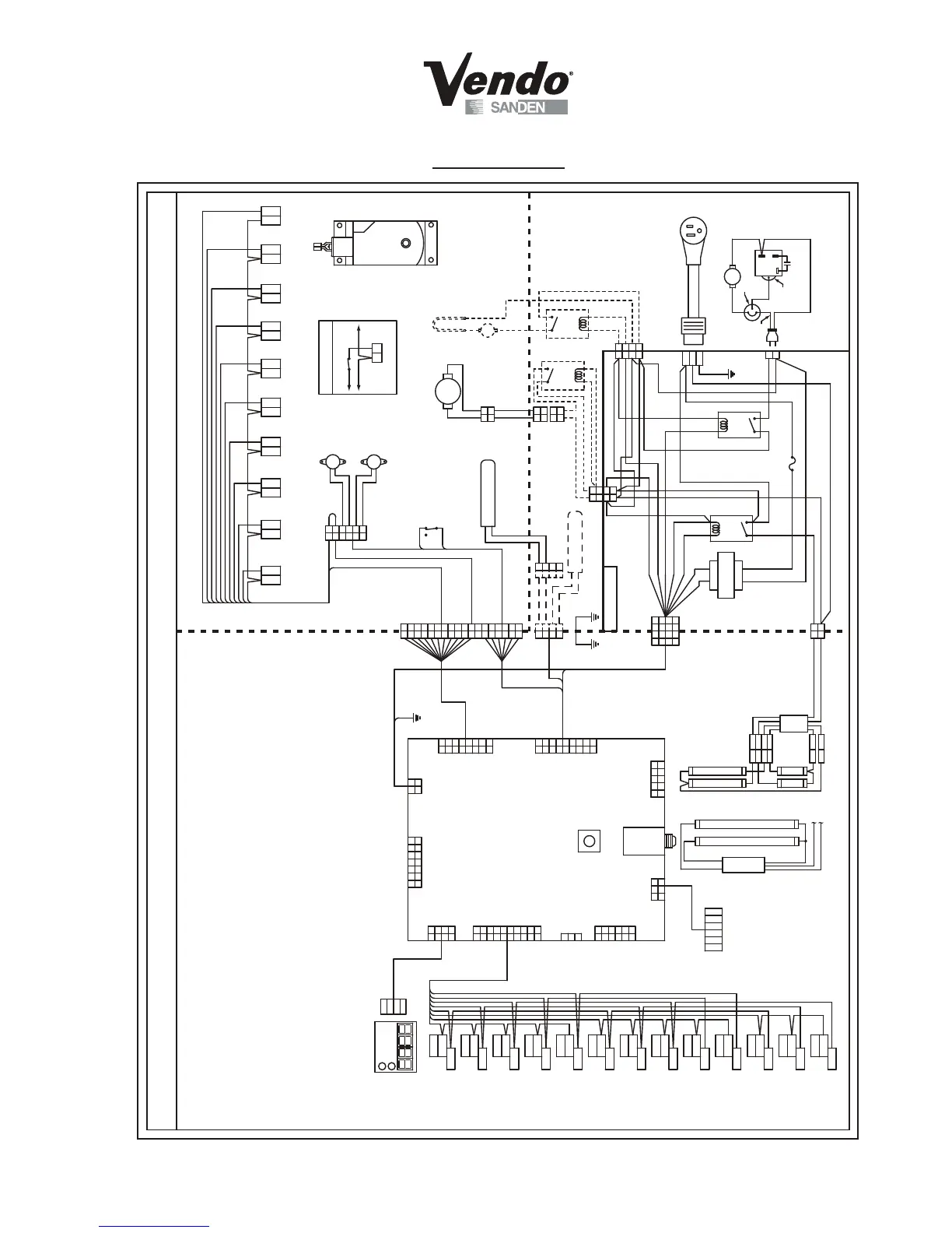
Vendo V21 - VEC 12.4 Wiring Diagram

Vendo V21
93 pages
Print Icon
To Next Page IconTo Next Page
To Next Page IconTo Next Page
To Previous Page IconTo Previous Page
To Previous Page IconTo Previous Page
Loading...
P-12
Part #1169256 08/2010
Wiring Diagram
V21 WIRING DIAGRAM - VEC 12.4
VEND MOTORS (24 VDC)
B
L
K
B
L
U
MOTOR # 10
(WHEN USED)
MOTOR # 9
(WHEN USED)
MOTOR # 8 MOTOR # 7 MOTOR # 6 MOTOR # 5
MOTOR # 4
MOTOR # 3 MOTOR # 2 MOTOR # 1
1
DISPLAY
VIO
ORN
RED
BLK
SELECTION SWITCHES
MODE SWITCH
DEX
SOCKET
GRN
VEC 12.1 OR 12.2
CONTROL
BOARD
PNK
YEL
SEL. # 1
NO
COM
PNK
BRN
SEL. # 2
PNK
VIO
SEL. # 3
PNK
ORN
SEL. # 4
PNK
GRY
SEL. # 5
BLU
YEL
SEL. # 6
BLU
BRN
SEL. # 7
BLU
VIO
SEL. # 8
BLU
ORN
SEL. # 9
BLU
GRY
SEL. # 10
WHT
YEL
SEL. # 11
WHT
BRN
SEL. # 12
WHT
VIO
SEL. # 13
(WHEN USED)
(WHEN USED)
(WHEN USED)
1127542
B
L
K
W
H
T
B
L
K
T
A
N
B
L
K
O
R
N
B
L
K
B
R
N
B
L
K
R
E
D
B
L
K
P
N
K
B
L
K
G
R
Y
B
L
K
V
I
O
B
L
K
Y
E
L
8
3
J8
910
5
6
1
7
2
J1A
J10
7
8
9
10
1
2
3
11
12
5
6
1
2
J11
3
J5
3
2
1
ORN
ORN GRN
1
J9
5
2
6
3
8
1
J9
9
2
10
3
S
O
C
O
L
1
S
O
C
O
L
2
S
O
C
O
L
3
R
T
V
C
O
L
1
R
T
V
C
O
L
2
R
T
V
C
O
L
3
11
12
5
13
6
1
7
S
O
C
O
L
R
O
W
R
T
V
C
O
L
R
O
W
1
R
O
W
5
R
O
W
6
R
O
W
2
R
O
W
3
J3
11
12
13
1
1
2
3
15
16
5
6
17
18
7
8
19
20
9
10
YEL
VIO
GRY
PNK
WHT
BRN
ORN
BLU
J2
5
6
7
8
1
2
3
RED
ORN
VIO
BLK
2
6
8
J6
1
3
5
16
7
9
M3/GRY
M /PNK
M5/RED
M6/BRN
M7/ORN
M1/YEL
M2/VIO
M8/TAN
10
11
12
13
1
15
WHT/M9
BLU/M10
BLK/COM
J7
1
2
3
5
6
17
7
8
10
COMP/BLU
FAN/YEL
LIGHTS/PNK
2 V/GRY
HEATER/VIO
11
12
13
1
15
16
BRN/TS1
WHT/VS1S
SHIELD/VS1R
WHT/VS2S
SHIELD/VS2R
WHT/DS
BRN/TS1
TAN/TS2
18 9
TAN/TS2
1
2
3
5
6
7
8
9
10
11
12
13
1
15
16
17
18
YEL
VIO
GRY
PNK
RED
BRN
ORN
TAN
WHT
BLU
BLK
WHT/DS
WHT/DS
WHT/VS1
SHIELD/VS1
WHT/VS2
SHIELD/VS2
1
2
3
5
6
7
8
9
10
11
12
13
1
15
16
17
18
GRN GRN
D
O
O
R
C
A
B
I
N
E
T
D
O
O
R
C
A
B
I
N
E
T
DS/WHT
POWER
CORD
VEND
SENSORS
1
2
3
5
6
1
2
3
5
6
VS1
BLK
WHT/VS1S
SHIELD/VS1R
WHT/VS2S
SHIELD/VS2R
DOOR SWITCH
(DOOR OPEN)
NC
COM
DS/WHT
DS/WHT
MDB SOCKET
G
R
N
O
R
N
Y
E
L
B
R
N
B
L
K
1 6
B
L
K
B
R
N
Y
E
L
O
R
N
G
R
N
LAMP '
LAMP '
RED
BLU
RED
BLU
RED
BLU
RED
BLU
BALLAST
LAMP 2'
LAMP 2'
1
YEL YEL
YEL YEL
ELECTRONIC 4 BULB
BLK
WHT
LAMP 4'
BALLAST
LAMP 4'
ELECTRONIC 2 BULB
BLK
WHT
1
2
3
1
2
3
TEMP
SENSOR 1
1
2
3
1
2
3
TEMP
SENSOR 2
(REFRIG.)
(HEATER OPTION)
W
A
R
M
CABINET WARM
CABINET COLD
CABINET WARM
CABINET COLD
VS2
C
O
L
D
TRANSFORMER
PR MARY
2 VAC
WHT
BLK
NO
BRN
BRN
TAN
TAN
2 1 2 1 2 1 2 1 2 1 2 1 2 1 2 1 2 1 2 1
1
2
1
2
POWER DIST. BOX
LIGHT
RELAY
PNK
GRY
BLK
BLK
2
VDC
COMP
RELAY
BLK
BLK
2
VDC
5
6
7
8
1
2
3
1
2
3
5
6
7
8
FUSE
0.8 AMP
SLOW BLOW
L
N
ORN (5)
ORN (8)
PNK (6)
BLK
WHT
BLU
GRY
N
G
L
GRN
1
2
3
1
2
3
1
3
2
3
1
2
GRY (1)
BLU (3)
VIO (2)
YEL ( )
GRY
YEL
BLK
WHT
V O
GRY
BLK
WHT
OVERLOAD
COMP.
PLUG
START
RELAY
CAPACITOR
(110 VOLT
UNITS ONLY)
COND. FAN
MOTOR
PLAIN
M
RIBBED
PLAIN
R BBED
BLK
WHT
THERMAL
OVERLOAD
HEATER
ELEMENT
OPTIONAL
HEATER
OPTIONAL
HEATER
RELAY
GRY
VIO
BLK
BLK
EVAP. FAN
MOTOR
12
12
M
3
1
2
3
1
2
OPTIONAL
FAN
RELAY
GRY (1)
YEL (2)
2 VDC
GEAR
MOTOR
(WHEN USED)
(WHEN USED)
BLU
BLU
RED
2
VDC
2
VDC
PLAIN
RIBBED
WHT
BLK
BLK
WHT
WHT
BLK
BLK
WHT
REFRIGERATION
SYSTEM
2 1
SOLDOUT
SWITCH
NCCOM
TO
MOTOR
TYPICAL MOTOR CIRCUIT
WITH SOLDOUT OPTION

Related product manuals