EasyManua.ls Logo

Vertiv Liebert DME22 - Page 26

Vertiv Liebert DME22
134 pages
Print Icon
To Next Page IconTo Next Page
To Next Page IconTo Next Page
To Previous Page IconTo Previous Page
To Previous Page IconTo Previous Page
Loading...
Vertiv | Liebert® DM | User Manual 16
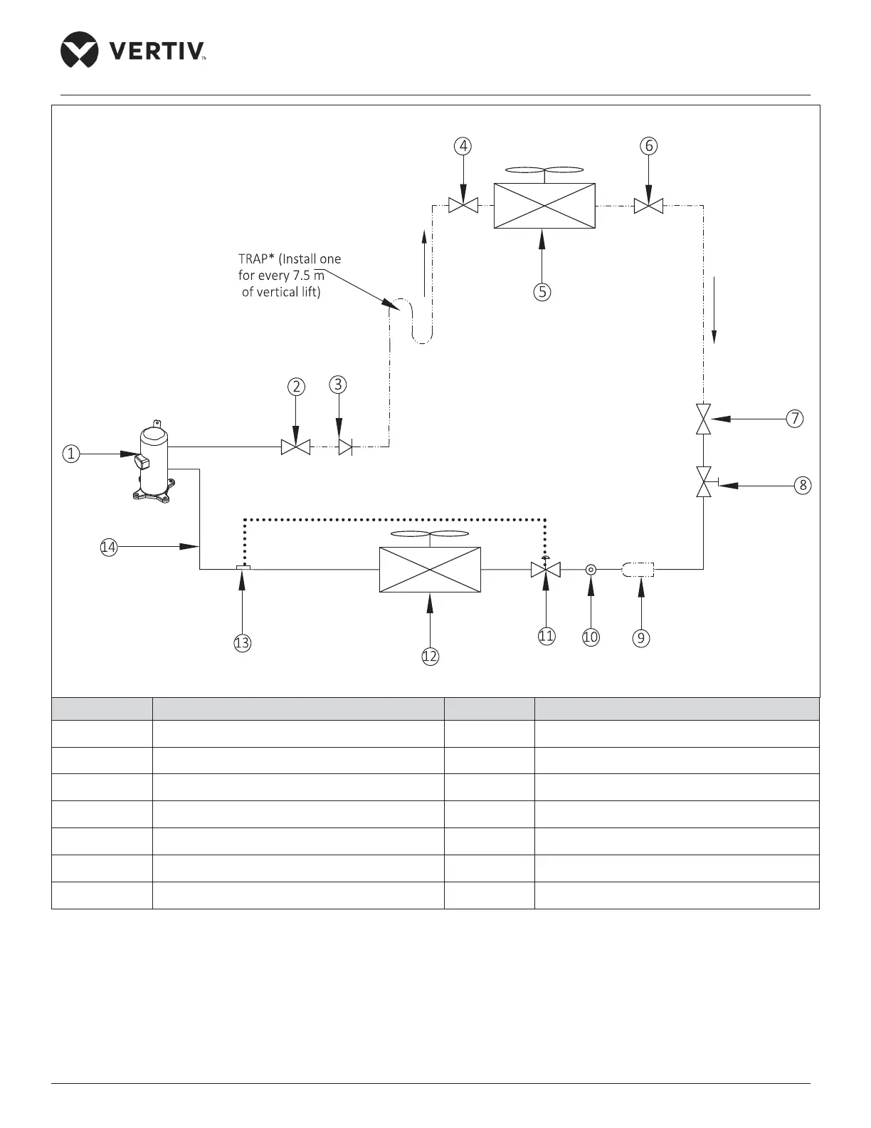
Mechanical Installation
No. Description No. Description
1 Scroll Compressor
8
+
Solenoid valve
2 Ball valve 9 Filter dryer
3
+
Check valve 10
#
Sight glass
4 Ball valve 11 Thermal Expansion Valve (TXV)
5 Condenser coil 12 Evaporator coil
6 Ball valve 13 Suction Temperature Sensor
7 Ball valve 14 Suction line
Figure 2-1 System Arrangement Diagram

Table of Contents

Related product manuals